(単位:mm)
デジタル形地絡方向継電器(ZPD方式)
この商品について
関連情報
情報更新 : 2019/01/17
(単位:mm)
形K2DGに適した零相電圧を得るために零相電圧検出用コンデンサと零相電圧変換器とケーブル(零相電圧検出用コンデンサと零相電圧変換器間)をセットしたものです。
零相電圧検出用コンデンサ
形VOC-1M
零相電圧変換器
形K3P-M
形AOF-1N
形OTG-N40
形OTG-N68
形OTG-N104
形OTG-N156
形OTG-N245
形OTG-D52
形OTG-D77
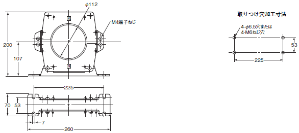
形OTG-D112
情報更新 : 2019/01/17
© Copyright OMRON Corporation 1996 - 2026.
All Rights Reserved.

