Page top

A22NN / A22NL

押ボタンスイッチ

A22NN / A22NL

φ22mm 押ボタンスイッチ。短胴化、配線方向変更による制御盤の小型化を実現。簡単配線のプッシュインPlus端子台タイプを追加

※ Web特別価格提供品

(単位:mm)

押ボタンスイッチ(照光・非照光タイプ)

平形(樹脂ベゼル)

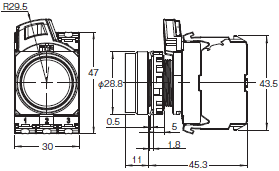
形A22NN-BN□-N□A-G□-NN

A22NN / A22NL 外形寸法 2

形A22NN-BN□-N□A-P□-NN

A22NN / A22NL 外形寸法 3

形A22NL-BN□-T□A-G□-□□

A22NN / A22NL 外形寸法 4

形A22NL-BN□-T□A-P□-□□

A22NN / A22NL 外形寸法 5

突出形(樹脂ベゼル)

形A22N□-BP□-□A-G□-□□

A22NN / A22NL 外形寸法 6

形A22N□-BP□-□A-P□-□□

A22NN / A22NL 外形寸法 7

フルガード形(樹脂ベゼル)

形A22N□-BG□-□A-G□-□□

A22NN / A22NL 外形寸法 8

形A22N□-BG□-□A-P□-□□

A22NN / A22NL 外形寸法 9

きのこ形(樹脂ベゼル)

形A22N□-BM□-□A-G□-□□

A22NN / A22NL 外形寸法 10

形A22N□-BM□-□A-P□-□□

A22NN / A22NL 外形寸法 11

平形(金属ベゼル)

形A22NN-MN□-N□A-G□-NN

A22NN / A22NL 外形寸法 12

形A22NN-MN□-N□A-P□-NN

A22NN / A22NL 外形寸法 13

形A22NL-MN□-T□A-G□-□□

A22NN / A22NL 外形寸法 14

形A22NL-MN□-T□A-P□-□□

A22NN / A22NL 外形寸法 15

突出形(金属ベゼル)

形A22N□-MP□-□A-G□-□□

A22NN / A22NL 外形寸法 16

形A22N□-MP□-□A-P□-□□

A22NN / A22NL 外形寸法 17

フルガード形(金属ベゼル)

形A22N□-MG□-□A-G□-□□

A22NN / A22NL 外形寸法 18

形A22N□-MG□-□A-P□-□□

A22NN / A22NL 外形寸法 19

きのこ形(金属ベゼル)

形A22N□-MM□-□A-G□-□□

A22NN / A22NL 外形寸法 20

形A22N□-MM□-□A-P□-□□

A22NN / A22NL 外形寸法 21

連結時の奥行き寸法

(ねじ端子台タイプ)

A22NN / A22NL 外形寸法 22

2接点ユニット取付時の奥行き寸法

(プッシュインPlus端子台タイプ)

A22NN / A22NL 外形寸法 23

単品(共用)

LEDランプ

形A22NZ-L-□□

A22NN / A22NL 外形寸法 25

取付台

形A22NZ-H-01

A22NN / A22NL 外形寸法 26

ねじ端子台仕様

スイッチユニット

形A22NZ-S-G1□

A22NN / A22NL 外形寸法 28

点灯ユニット

形A22NZ-T-□

A22NN / A22NL 外形寸法 29

プッシュインPlus端子台仕様

スイッチユニット(1接点)

形A22NZ-S-P1□

A22NN / A22NL 外形寸法 31

スイッチユニット(2接点)

形A22NZ-S-P2□

A22NN / A22NL 外形寸法 32

点灯ユニット

形A22NZ-T-□P

A22NN / A22NL 外形寸法 33

アクセサリ・工具

保護カバー

形A22NZ-A-303

A22NN / A22NL 外形寸法 35

パネルプラグ(樹脂)

形A22NZ-A-401

A22NN / A22NL 外形寸法 36

パネルプラグ(金属)

形A22NZ-A-402

A22NN / A22NL 外形寸法 37

回り止めリング

形A22NZ-A-403

A22NN / A22NL 外形寸法 38

回り止め金具

形A22NZ-A-50501

A22NN / A22NL 外形寸法 39

補強板

形A22NZ-A-C01

A22NN / A22NL 外形寸法 40

コントロールボックス

形A22NZ-A-B101
形A22NZ-A-B101Y

A22NN / A22NL 外形寸法 41

コントロールボックス(2穴)

形A22NZ-A-B102

A22NN / A22NL 外形寸法 42

コントロールボックス(3穴)

形A22NZ-A-B103

A22NN / A22NL 外形寸法 43

コントロールボックス

形A22NZ-A-B201
形A22NZ-A-B01Y

A22NN / A22NL 外形寸法 44

コントロールボックス(2穴)

形A22NZ-A-B202

A22NN / A22NL 外形寸法 45

コントロールボックス(3穴)

形A22NZ-A-B203

A22NN / A22NL 外形寸法 46

防水キャップ

平形用 形A22Z-3600F

A22NN / A22NL 外形寸法 47

突出形用 形A22Z-3600T

A22NN / A22NL 外形寸法 48

フルガード用 形A22Z-3600G

A22NN / A22NL 外形寸法 49

φ30用樹脂アタッチメント

形A22Z-A30

A22NN / A22NL 外形寸法 50

銘板ユニット

一般 形A22NZ-A-50103

A22NN / A22NL 外形寸法 51

大形 形A22NZ-A-51103

A22NN / A22NL 外形寸法 52

彫刻板

一般形用 形A22Z-3443□-□

A22NN / A22NL 外形寸法 53

大形用 形A22Z-3453□

A22NN / A22NL 外形寸法 54

締めつけ工具

形A22NZ-A-301

A22NN / A22NL 外形寸法 55

LEDランプ交換工具

形A22NZ-A-302

A22NN / A22NL 外形寸法 56

キャップ締めつけ工具

形A22Z-3908

A22NN / A22NL 外形寸法 57