Page top

S8VK-G

スイッチング・パワーサプライ(15/30/60/120/240/480Wタイプ)

S8VK-G

周囲温度-40~+70℃の広範囲で使用が可能。スリム化デザインで装置・設備の小型化に貢献

※ Web特別価格提供品

つながる、はじまる。IoT生産現場革新

IoT化のスタートに、パワーサプライをS8VK-Xにかえませんか。

●共通の注意事項については、パワーサプライ共通の注意事項をご覧ください。

警告表示の意味

S8VK-G ご使用の前に 2

図記号の意味

S8VK-G ご使用の前に 3
S8VK-G ご使用の前に 4

安全上の要点

配線

・アースは完全に接続してください。安全規格で定められたPE(保護接地)端子のため、アースが不完全な場合、感電や誤動作の恐れ があります。

・軽度の発火が万一の場合起こる恐れがあります。入出力端子など誤配線のないようにご注意ください。

・端子締めつけ時に75N以上の力で端子台を押さえつけないでください。

・通電前には、加工時に覆ったシートなどを必ず取りはずして放熱に支障がないことを確認ください。

・負荷の異常による配線材の発煙・発火を防ぐために下表の線材をご使用ください。

推奨使用線径/断面積と電線剥きしろ

S8VK-G ご使用の前に 7

・配線挿入穴、ならびに使用ドライバーは下表のとおりです。

S8VK-G ご使用の前に 8

推奨フェルール端子・工具

S8VK-G ご使用の前に 9

設置環境

・振動・衝撃の激しい場所では使用しないでください。特にコンタクタなどの装置は振動源になりますので、周囲から極力離して設置してください。また、船舶で使用する際は必ず、エンドプレート(形PFP-M)を本体の両端に取りつけて固定してください。

・強い高周波ノイズやサージを発生する機器からは離して取りつけてください。

使用環境および保管環境

・周囲温度-40~+85℃、相対湿度0~95%で保管してください。

・内部部品の劣化・破損が稀に起こる恐れがありますので、取りつけ方向ごとの使用温度範囲を超える状態では使用しないでください。

・相対湿度が0~95%の場所で使用してください。

・直射日光のあたる場所では使用しないでください。

・製品内に液体や異物、腐食性ガスが入る可能性のある場所では使用しないでください。

取りつけ方法

・取りつけにあたっては、機器の長期信頼性を向上させるために、放熱に十分留意してください。電源本体周辺に空気が対流するよう十分留意いただき、ディレーティング曲線内でご使用ください。

・取りつけ加工中に切粉が製品内に入らないようにしてください。

S8VK-G ご使用の前に 13

・取りつけ状態により放熱性が悪化し、稀に内部部品が劣化・破損する恐れがあります。取りつけ方向ごとのディレーティング曲線に従ってご使用ください。

・横向き取りつけでは取りつけ金具をご使用ください。

・放熱性が悪化しますので、横向き取りつけ状態ではラベル側を必ず上方向にしてください。

DINレール取りつけ

DINレールに取りつける場合は、レールストッパがカチッと音がするまで下げ、A部をレールの一端にひっかけB方向に押し込んでレールストッパを上げてロックしてください。

S8VK-G ご使用の前に 14

取り外す場合は、C部にマイナスドライバを差し込み、引き外してください。

S8VK-G ご使用の前に 15

ピーク電流

全機種

ピーク電流は短時間で定格電流を超える繰り返しピーク電流を保証するものです。
以下の4つのピーク電流の条件を満たせる範囲で使用できます。

(1)ピーク電流の流れる時間:t1

(2)ピーク電流の最大値:lp

(3)平均出力電流:lave

(4)ピーク電流の流れる時間比率:Duty

S8VK-G ご使用の前に 17

・ピーク電流は10秒以上継続しないでください。
 また、デューティサイクルは下記の条件を超えて使用しないでください。電源の破損を招く恐れがあります。

・ピーク電流1周期の平均電流が定格値を超えないようにしてください。電源の破損を招く恐れがあります。

・周囲温度、取りつけ方向により、ピーク電流値と負荷軽減を行ってください。

過電流保護機能について

・短絡および過電流状態での使用が継続されますと、稀に内部部品の劣化・破損となる場合があります。

・万一の場合、内部部品の劣化・破損が考えられますので、負荷側の突入電流、負荷状態が頻繁に発生するアプリケーションには使用しないでください。

・過電流保護機能が働いている場合:DC ONランプ(緑)が点滅状態になります.

バッテリ充電について

負荷にバッテリを接続される場合は、過電流制限回路および過電圧保護回路を取りつけてください。

出力電圧調整トリマ(V.ADJ)

・出力電圧調整トリマ(V.ADJ)の破損が万一の場合起こる恐れがあります。必要以上に強い力を加えないでください。

・出力電圧調整後の出力容量、出力電流は定格出力容量、定格出力電流以下にしてください。

直列運転について

2台の電源で直列運転が可能です。

S8VK-G ご使用の前に 22

注1. 負荷が短絡した場合、電源ユニット内部に逆電圧がかかります。万一の場合、電源ユニットが劣化・破損する恐れがありますので、図のように ダイオードを接続してください。なお、ダイオードの選定の目安は下記の通りです。

S8VK-G ご使用の前に 23

注2. 異なる仕様での直列運転は可能ですが、負荷に流れる電流は定格出力電流の小さい方の定格出力電流以下にしてください。

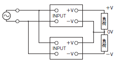
<±(プラス・マイナス)出力のつくり方>

・フローティング出力(1次側回路と2次側回路が分離されている)のため、2個の電源にて±出力を作ることができます。
±出力として使用する時は、下図のように同一シリーズ名の電源を接続してください(異なる出力容量、出力電圧の組み合わせは可能です。ただし、負荷に流せる電流は出力容量の小さい方の定格出力電流以下としてください)。

S8VK-G ご使用の前に 25

・機種によっては、負荷がサーボモータ、オペアンプなど直列運転になる可能性がある場合に、電源投入時に起動不良が発生し、内部回路が破損する恐れがありますので、下図のようにバイパス用ダイオード(D1、D2)を接続してください。

S8VK-G ご使用の前に 26

・ダイオードの種類、耐圧、電流の目安は次の通りです。

S8VK-G ご使用の前に 27

並列運転

並列運転は出力電流が1台分では足りない負荷に対して、電源を並列に接続して出力電流を増やすための運転方法です。
2台の電源で並列運転が可能です。

(1)並列運転は周囲温度が- 25 ~+ 40 ℃の範囲でご使用ください。

(2)並列運転をする2台は同じ容量の電源にしてください。

(3)2台の出力電圧差が50mV以下になるように出力電圧調整トリマ(V. ADJ)にて調整ください。

(4)2 台の電源の出力電流がバランスできていないとき、出力電圧の高い方の電源が過電流保護状態で動作し、寿命が極端に短くなる場合がありますので、2台の電源の出力電圧差を調整した後に、電流がバランス良く出力されていることをご確認ください。

(5)並列運転時は、UL1310のClass2出力の対象外です。

(6)2 台の電源と負荷間の電圧降下が同一になるよう、負荷接続電線の長さ、太さを同じにしてください。

(7)15W~240Wの形S8VK-Gを並列運転する際に、急激な負荷変動(負荷の起動・遮断時を含む)により出力電圧が数V低下する場合があります。動作が不安定になる場合は、図のように形S8VK-Rをご利用ください。
  icon_01形S8VK-Rの仕様ならびに容量毎の対応形式は形S8VK-Rデータシート(カタログ番号:SGTC-057)をご参照ください。

S8VK-G ご使用の前に 28

(8)15W~240Wの形S8VK-Gを並列運転する際に、急激な負荷変動(負荷の起動・遮断時を含む)により出力電圧が数V低下する場合があります。動作が不安定になる場合は、図のように形S8VK-Rをご利用ください。

S8VK-G ご使用の前に 29

・ダイオードの種類、耐圧、電流の目安は次の通りです。

S8VK-G ご使用の前に 30

バックアップ運転について

同機種2台をご使用の場合、バックアップ運転は可能です。これにより、1台が故障した場合でも、残りの1台で運転が継続できます。
負荷容量の最大が電源1台を超えないようにしてください。
バックアップ運転の場合、図のように形S8VK-Rをご利用ください。
icon_01形S8VK-Rの仕様ならびに容量毎の対応形式は形S8VK-Rデータシート(カタログ番号:SGTC-057)をご参照ください。

S8VK-G ご使用の前に 31

出力電圧が出ない場合

過電流保護または、過電圧保護が機能している可能性があります。また、入力に雷サージなどの大きなサージ電圧が印加された場合は、内部保護回路が機能している可能性も考えられます。
以下の2点を確認後も出力電圧が出ない場合は、当社までお問い合わせください。

・過電流保護の確認方法
 負荷が過電流状態(短絡含む)になっていないかを(負荷線をはずして)確認してください。

・過電圧保護、内部保護の確認方法
 いったん入力電源をOFFし、3分以上放置後、入力電源を再投入してください。

入力投入時の音について

〈120、240、480W〉

高調波電流抑制回路を搭載しているため、入力投入時に音がすることがありますが、内部電圧が安定するまでの過渡的なものであり製品としては異常ありません。

無償保証期間と無償保証範囲

〔無償保証期間〕

納入品の保証期間は当社工場出荷後3年と致します。

〔無償保証範囲〕

次の範囲を使用条件とします。

1. 平均使用温度40℃以下(本体周囲温度)

2. 平均負荷率80%以下

3. 取りつけ方法:標準取りつけ

※ただし最大定格はディレーティング曲線の範囲内とします。

上記保証期間中に当社側の責により故障を生じた場合は、その商品の故障部分の交換または修理を、その商品のご購入あるいは納品場所において無償で行わさせていただきます。
ただし、次に該当する場合は、この保証の対象範囲から除外させていただきます。

(1)本カタログまたは別途取り交わした仕様書などにて確認された以外の、不適当な条件・環境・取り扱い並びに使用による場合。

(2)故障の原因が納入品以外の事由による場合。

(3)当社以外による分解・改造または修理による場合。

(4)商品本来の使い方以外の使用による場合。

(5)当社出荷当時の科学・技術の水準では予見できなかった事由による場合。

(6)その他、天災、災害など当社側の責ではない原因による場合。
   なお、ここでいう保証は、納入品単体の保証を意味するもので、納入品の故障により誘発される損害は保証範囲外です。

予防保全のための推奨交換時期と定期的な交換のお奨め

予防保全のための推奨交換時期は商品の使用設置環境等に大きく影響されますが、推奨交換時期は7年~10年(*)を目安にしてください。お客様での商品寿命を超えてのご使用による故障や事故などを防止するためにも、推奨交換時期内での早めの交換をお奨めいたします。ただし、推奨交換時期はあくまでご参考情報であり、商品の寿命を保証するものではありません。

商品には多くの電子部品が搭載されており、これらの部品全てが正常に動作することにより、本来の機能・性能を発揮することができます。しかし、アルミ電解コンデンサは稼動時の周囲温度の影響が大きく、周囲温度が10℃上昇すると寿命が1/2に短くなります(アレニウスの法則)。電解コンデンサが容量低下の寿命になると、製品の故障や事故につながる恐れがあります。そのため、一定期間を経過する毎に商品の交換を実施いただき、装置の故障や事故を出来る限り未然に防止するようお奨めします。

*定格入力電圧、負荷率50%以下、周囲温度40℃以下、標準取りつけ状態の場合です。

なお、当機種では上記の条件で期待寿命が10年以上となるように設計しています。