(単位:mm)
高機能型汎用インバータ RXシリーズV1タイプ
             
        
※ このページの記載内容は、生産終了以前の製品カタログに基づいて作成した参考情報であり、製品の特長 / 価格 / 対応規格 / オプション品などについて現状と異なる場合があります。ご使用に際してはシステム適合性や安全性をご確認ください。
情報更新 : 2019/12/06
(単位:mm)
            
						形3G3RX-A2004-V1
形3G3RX-A2007-V1
形3G3RX-A2015-V1
形3G3RX-A2022-V1
形3G3RX-A2037-V1
形3G3RX-A4004-V1
形3G3RX-A4007-V1
形3G3RX-A4015-V1
形3G3RX-A4022-V1
形3G3RX-A4037-V1
					
        
 
       
    
            
						形3G3RX-A2055-V1
形3G3RX-A2075-V1
形3G3RX-A2110-V1
形3G3RX-A4055-V1
形3G3RX-A4075-V1
形3G3RX-A4110-V1
					
        
 
       
    
            
						形3G3RX-A2150-V1
形3G3RX-A2185-V1
形3G3RX-A2220-V1
形3G3RX-A4150-V1
形3G3RX-A4185-V1
形3G3RX-A4220-V1
					
        
 
       
    
            
						形3G3RX-A2300-V1
形3G3RX-A4300-V1
					
        
 
       
    
            
						形3G3RX-A2370-V1
形3G3RX-A2450-V1
形3G3RX-A4370-V1
形3G3RX-A4450-V1
形3G3RX-A4550-V1
					
        
 
       
    形3G3RX-A2550-V1
 
       
    
            
						形3G3RX-B4750-V1
形3G3RX-B4900-V1
					
        
 
       
    
            
						形3G3RX-B411K-V1
形3G3RX-B413K-V1
					
        
 
       
     
       
    
            
						注. EtherCAT通信ユニットを取り付けた場合の全体の寸法は、インバータ本体のD寸法に35.1mmを加算してください。
						
						(インバータ本体のD寸法は、容量で異なります。RXシリーズV1タイプ ユーザーズマニュアル(SBCE-367)を参照してください。)
        
 
       
    
            注. CompoNet通信ユニットを取り付けた場合の全体の寸法は、インバータ本体のD寸法に35.1mmを加算してください。
(インバータ本体のD寸法は容量で異なります。RXシリーズV1タイプ ユーザーズマニュアル(SBCE-367)を参照してください。)
        
 
       
    
            注. DeviceNet通信ユニットを取り付けた場合の全体の寸法は、インバータ本体のD寸法に35.1mmを加算してください。
RXシリーズV1タイプ ユーザーズマニュアル(SBCE-367)を参照してください。
        
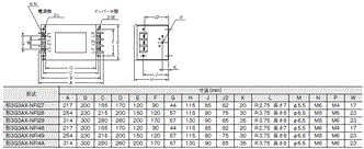
形3G3AX-RBU21/-RBU22/-RBU41
 
       
    形3G3AX-RBU23
 
       
    形3G3AX-RBU24
 
       
    形3G3AX-RBU42
 
       
    形3G3AX-RBU43
 
       
    形3G3AX-RBA
 
       
    形3G3AX-RBB
 
       
    形3G3AX-RBC4001
 
       
     
       
    形3G3AX-RBC6001
 
       
    形3G3AX-RBC12001
 
       
    形3G3AX-ZCL1
 
       
    形3G3AX-ZCL2
 
       
    
 
       
    
 
       
    
 
       
    
 
       
    
 
       
    
 
       
    
 
       
    
 
       
     
       
    
 
       
    
 
       
    
 
       
    
 
       
    情報更新 : 2019/12/06