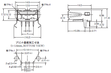
(単位:mm)
USBコネクタ
この商品について
関連情報
情報更新 : 2026/02/09
(単位:mm)
形XM7A-0441
Aタイプ 1段
形XM7A-0442
Aタイプ 1段
形XM7A-0442-A
Aタイプ 2段
形XM7B-0442
Bタイプ
情報更新 : 2026/02/09
© Copyright OMRON Corporation 1996 - 2026.
All Rights Reserved.
