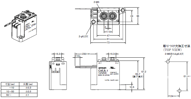
(単位:mm)
DCパワーリレー(60A、100Aタイプ)
             
        
この商品について
関連情報
情報更新 : 2010/05/24
(単位:mm)
 
       
     
       
     
       
    
            * 配線用カット部寸法
						
注. ご使用方法
端子カバー取りつけ前に、配線導出方向にある“配線用カット部”を切り取った上でご使用ください。
        
 
       
    情報更新 : 2010/05/24
© Copyright OMRON Corporation 1996 - 2025. 
All Rights Reserved.
 
				
 形式一覧/価格/オンライン購入
                    形式一覧/価格/オンライン購入
                 ページ先頭へ戻る
ページ先頭へ戻る