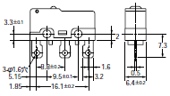
(単位:mm)
超小形基本スイッチ
この商品について
関連情報
情報更新 : 2022/03/01
(単位:mm)
イラスト・図面は、プリント基板自立端子の場合です。はんだづけ端子は、「端子の種類/形状」をご覧ください。
□の中には、端子仕様による記号が入ります。組み合わせ可能な形式については、「種類」をご覧ください。
形D2S-10□
形D2S-5□
形D2S-5-F□
形D2S-01□
形D2S-01-F□
形D2S-10L□
形D2S-5L□
形D2S-5L-F□
形D2S-01L□
形D2S-01L-F□
形D2S-10L13□
形D2S-5L13□
形D2S-5L13-F□
形D2S-01L13□
形D2S-01L13-F□
形D2S-10L2□
形D2S-5L2□
形D2S-5L2-F□
形D2S-01L2□
形D2S-01L2-F□
注1. 上記、外形寸法図中、指定のない部分の寸法公差は±0.4㎜です。
注2. 動作特性は、A方向(
)に動作した場合です。
情報更新 : 2022/03/01
© Copyright OMRON Corporation 1996 - 2026.
All Rights Reserved.
