(単位:mm)
Ior方式漏電監視リレー
            
        
※ このページの記載内容は、生産終了以前の製品カタログに基づいて作成した参考情報であり、製品の特長 / 価格 / 対応規格 / オプション品などについて現状と異なる場合があります。ご使用に際してはシステム適合性や安全性をご確認ください。
この商品について
関連情報
情報更新 : 2018/08/01
(単位:mm)
形K6ER-ZM2-FLKA2
       
    形K6ER-CN22(2A)
       
    形OTG-L21(50A)
       
    注. 端子部に端子記号の記載がある側がKです。
形OTG-L30(100A)
       
    注. 端子部に端子記号の記載がある側がKです。
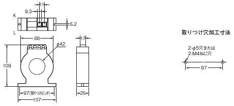
形OTG-L42(200A)
       
    注. 端子部に端子記号の記載がある側がKです。
形OTG-L68(400A)
       
    注. 端子部に端子記号の記載がある側がKです。
形OTG-L82(600A)
       
    注. 端子部に端子記号の記載がある側がKです。
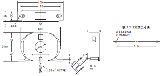
形OTG-L156(1,000A)
       
    形OTG-CN52(200A)
       
    形OTG-CN77(400A)
       
    形OTG-CN112(600A)
       
    形OTG-LA30W(100A)
       
    形OTG-CN36W(150A)
       
    情報更新 : 2018/08/01
© Copyright OMRON Corporation 1996 - 2025. 
All Rights Reserved.
				