| 名称 | DC入力ユニット(端子台、8点) |
|---|---|
| 形式 | 形CJ1W-ID201 |
| 定格入力電圧 | DC12~24V |
| 許容入力電圧範囲 | DC10.2~26.4V |
| 入力インピーダンス | 2.4 kΩ |
| 入力電流 | 10mA TYP.(DC24V) |
| ON電圧/ON電流 | DC8.8V以上/3mA以上 |
| OFF電圧/OFF電流 | DC3V以下/1mA以下 |
| ON応答時間 | 8.0ms以下(PLCシステム設定により0~32ms切換可能)*1 |
| OFF応答時間 | 8.0ms以下(PLCシステム設定により0~32ms切換可能)*1 |
| 回路数 | 8点独立接点 |
| 同時ON点数 | 100%同時ON |
| 絶縁抵抗 | 外部端子一括とGR端子間20MΩ以上(DC100Vにて) |
| 耐電圧 | 外部端子一括とGR端子間AC1000V 1分間 漏れ電流10mA以下 |
| 内部消費電流 | DC5V:80mA以下 |
| 質量 | 110g以下 |
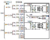
| 回路構成 |
・各端子の信号名称はデバイス変数名です。 デバイス変数名はデバイス名を「Jxx」としたときの名称です。 |
| 外部接続図・
端子とデバイス変数との 対応図 *2 |
・入力電源の極性は+、−どちらでも構いません。 ・各端子の信号名称はデバイス変数名です。 デバイス変数名はデバイス名を「Jxx」としたときの名称です。 |



























