Page top

2013/03 受注終了

FZ3シリーズ

画像センサ

※ このページの記載内容は、生産終了以前の製品カタログに基づいて作成した参考情報であり、製品の特長 / 価格 / 対応規格 / オプション品などについて現状と異なる場合があります。ご使用に際してはシステム適合性や安全性をご確認ください。

(単位:mm)

FZ3シリーズコントローラ

●液晶一体タイプ
形FZ3-30□/形FZ3-30□-10
形FZ3-70□/形FZ3-70□-10
形FZ3-90□/形FZ3-90□-10
形FZ3-H30□/形FZ3-H30□-10
形FZ3-H70□/形FZ3-H70□-10
形FZ3-H90□/形FZ3-H90□-10

FZ3シリーズ 外形寸法 2

●BOXタイプ
形FZ3-35□/形FZ3-35□-10
形FZ3-75□/形FZ3-75□-10
形FZ3-95□/形FZ3-95□-10
形FZ3-H35□/形FZ3-H35□-10
形FZ3-H75□/形FZ3-H75□-10
形FZ3-H95□/形FZ3-H95□-10

FZ3シリーズ 外形寸法 3

形FZ3-L35□/形FZ3-L35□-10

FZ3シリーズ 外形寸法 4

カメラ

●インテリジェントカメラ

形FZ-SLC15

FZ3シリーズ 外形寸法 7

形FZ-SLC100

FZ3シリーズ 外形寸法 8

●オートフォーカスカメラ

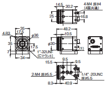
形FZ-SZC15
形FZ-SZC100

FZ3シリーズ 外形寸法 11

デジタルカメラ(単体)

●30万画素カメラ
形FZ-S
形FZ-SC

FZ3シリーズ 外形寸法 13

●200万画素カメラ
形FZ-S2M
形FZ-SC2M

FZ3シリーズ 外形寸法 14

●500万画素カメラ
形FZ-S5M2
形FZ-SC5M2

FZ3シリーズ 外形寸法 16

●ハイスピードカメラ(単体)
形FZ-SHC
形FZ-SH

FZ3シリーズ 外形寸法 18

小型デジタルカメラ(単体)

●カメラヘッド

フラットタイプ
形FZ-SF
形FZ-SFC

FZ3シリーズ 外形寸法 21

ペンタイプ
形FZ-SP
形FZ-SPC

FZ3シリーズ 外形寸法 22

●カメラアンプ

フラットタイプ、ペンタイプ共通

FZ3シリーズ 外形寸法 25

●インテリジェントコンパクトカメラ

狭視野タイプ、中視野タイプ
形FZ-SQ010F
形FZ-SQ050F

FZ3シリーズ 外形寸法 28

注1.取付金具は各側面に取付け可能。

広視野タイプ
形FZ-SQ100F(遠距離)
形FZ-SQ100N(近距離)

FZ3シリーズ 外形寸法 31

注1.取付金具は各側面に取付け可能。

ケーブル

カメラケーブル

●カメラケーブル
形FZ-VS

FZ3シリーズ 外形寸法 35

●長距離カメラケーブル
形FZ-VS2

FZ3シリーズ 外形寸法 36

 

●ライトアングルカメラケーブル
形FZ-VSL

FZ3シリーズ 外形寸法 38

●長距離ライトアングルカメラケーブル
形FZ-VSL2

FZ3シリーズ 外形寸法 39

●ライトアングルカメラケーブル
形FZ-VSL

FZ3シリーズ 外形寸法 41

※1 各ケーブルは、2m/5m/10m があります。
※2 各カメラケーブルはには極性があります。
   銘板の貼られている側をコントローラに接続してください。
※3 ケーブルは15mです。

パラレルケーブル

形FZ-VP

FZ3シリーズ 外形寸法 44

形FZ-VPX

FZ3シリーズ 外形寸法 45

 

※1 ケーブルは、2m/5m があります。

※1 ケーブルは、2m/5m があります。

モニタケーブル

形FZ-VM

FZ3シリーズ 外形寸法 51

※1 ケーブルは、2m/5m があります。

液晶モニタ

形FZ-M08

FZ3シリーズ 外形寸法 53

カメラケーブル延長ユニット

形FZ-VSJ

FZ3シリーズ 外形寸法 54

小型カメラ用接写リング

形FZ-LESR

FZ3シリーズ 外形寸法 55

小型カメラ用レンズ

形FZ-LESシリーズ

FZ3シリーズ 外形寸法 56

ハレーションカット専用照明

形FZ-SXCRB7018BR-4S(カメラ一体タイプ)

FZ3シリーズ 外形寸法 59

Amazonギフト券が当たる!

サイトユーザーアンケートにご協力ください

2025/11/30(日)まで

詳しくはこちら