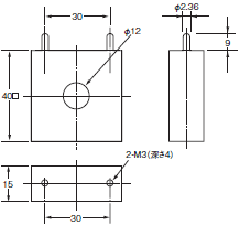
(単位:mm)
サーマックNEO 温度調節器(デジタル調節計)
2027年03月受注終了予定
一部商品は受注終了しております、「形式/種類」をご覧ください
※ Web特別価格提供品
情報更新 : 2021/11/01
(単位:mm)
製品に一組梱包されています。
紛失、破損した場合は別途ご注文ください。
防水パッキンを紛失、破損した場合は別途、次の形式でご注文ください。
防水パッキンを使用される場合、保護構造はIP66となります。(IP66の防水レベルを確保するために、ご使用環境によっては劣化、収縮または硬化するため定期的な交換をおすすめします。定期的な交換時期は使用環境によって異なります。お客様でご確認ください。1年以下を目安としてください。なお、定期的な交換をされない場合の防水レベルは当社では責任を負いかねます。)
防水構造が不要な場合は、防水パッキンを取りつける必要はありません。
連続最高ヒータ電流:50A(50/60Hz)
巻数:400±2ターン
巻線抵抗:18±2Ω
連続最高ヒータ電流:120A(50/60Hz)
(ただし、オムロンの温調器の連続最高ヒータ電流値は50Aです。)
巻数:400±2ターン
巻線抵抗:8±0.8Ω
情報更新 : 2021/11/01
© Copyright OMRON Corporation 1996 - 2026.
All Rights Reserved.


