Page top
商品情報トップ
ソリューショントップ
現場の異常にすばやく対応できるシステムをテンプレート活用で簡単構築
現場と経営の情報連携プラットフォームを専門的なIT知識不要で構築
ダウンロードセンタトップ
サービスサポートトップ
eラーニング・セミナトップ
オムロンの提供価値トップ
販売ネットワークトップ
イオナイザ(汎用ファンタイプ)
形式一覧/価格/オンライン購入
※ Web特別価格提供品
ログインで価格を確認
※ このページの記載内容は、生産終了以前の製品カタログに基づいて作成した参考情報であり、製品の特長 / 価格 / 対応規格 / オプション品などについて現状と異なる場合があります。ご使用に際してはシステム適合性や安全性をご確認ください。
この商品について
関連情報
情報更新 : 2008/08/25
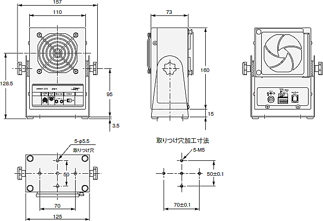
(単位:mm)
指定なき寸法公差:公差等級 IT16