商品概要
画像をクリックすると大きくなります
ラッチングリレー, 直流負荷開閉型, 2極, ケース入り形, プラグイン端子, AC100/(110)V
在庫/販売状況
2026/03/18 00:00 情報更新| 販売状況 | 販売中 |
|---|---|
| 機種区分 | 標準在庫機種 |
| 在庫状況 | 〇 |
| 標準価格(税別) | ¥ 8,100 |
詳細情報
定格/性能
情報更新:2024/07/25
定格
| 保護構造 | 閉鎖型(ケース入り) | ||
|---|---|---|---|
| 端子構造 | プラグイン端子 | ||
| コイル | コイル定格 | セットコイル | AC100V 50Hz 41mA AC100V 60Hz 35mA AC110V 60Hz 40mA |
| リセットコイル | AC100V 50Hz 46mA AC100V 60Hz 41mA AC110V 60Hz 46mA | ||
| コイル抵抗 | セットコイル: 340Ω リセットコイル: 739Ω | ||
| 動作電圧(セット電圧) | 80%以下 | ||
| 復帰電圧(リセット電圧) | 80%以下 | ||
| 最大許容電圧 | 110% | ||
| 消費電力 | セットコイル | 約6.2VA 起動時/約3.5VA 定格 | |
| リセットイル | 約6.5VA 起動時/約4.1VA 定格 | ||
| 接点 | 定格負荷 | DC110V 5A (抵抗負荷) DC110V 5A (誘導負荷 (L/R=7ms)) | |
| 接点電圧の最大値 | AC250V DC250V | ||
| 接点電流の最大値 | AC: 5A DC: 5A | ||
| 最大開閉容量 | 20VA 700W (抵抗負荷) 600W (誘導負荷 (L/R=7ms)) | ||
| 接点構成 | 2c | ||
| 接触機構 | シングル | ||
| 接点材質 | Ag | ||
性能
| 接触抵抗 | 50mΩ以下 (DC5V 1A 電圧降下法) |
|---|---|
| セット、リセット最小パルス幅 | 100ms (定格操作電圧印加時、接点バウンス含まず) |
| 動作時間 | 30ms以下 (定格操作電圧印加時、接点バウンス含まず) |
| 復帰時間 | 30ms以下 (定格操作電圧印加時、接点バウンス含まず) |
| 最大開閉頻度 | 機械的: 1800回/時間 定格負荷: 1800回/時間 |
| 絶縁抵抗 | コイルと接点間: 100MΩ以上 (DC500V絶縁抵抗計にて) 異極接点間: 100MΩ以上 (DC500V絶縁抵抗計にて) 同極接点間: 100MΩ以上 (DC500V絶縁抵抗計にて) セットコイルとリセットコイル間: 100MΩ以上 (DC500V絶縁抵抗計にて) |
| 耐電圧 | コイルと接点間: AC2000V 50/60Hz 1min 異極接点間: AC2000V 50/60Hz 1min 同極接点間: AC1500V 50/60Hz 1min セットコイルとリセットコイル間: AC2000V 50/60Hz 1min |
| 耐振動(耐久) | 10~55~10Hz 片振幅 0.375mm (複振幅 0.75mm) |
| 耐振動(誤動作) | 10~35~10Hz 片振幅 0.5mm (複振幅 1mm) |
| 耐衝撃(耐久) | 500m/s2 |
| 耐衝撃(誤動作) | 50m/s2 |
| 耐久性(機械的) | 250万回以上 (開閉ひん度1,800回/h) |
| 耐久性(電気的) | 50万回以上 (23℃、定格負荷、開閉ひん度1,800回/h) |
| 故障率 | DC5V 10mA (P水準、参考値) (開閉ひん度60回/min) |
| 使用温度範囲 | -10~55℃(ただし、氷結、結露しないこと) |
| 使用湿度範囲 | 5~85%RH |
| 質量 | 約380g |
| 取りつけ方法 | ソケット |
| 適用ソケット | 11PFA/ PL11 |
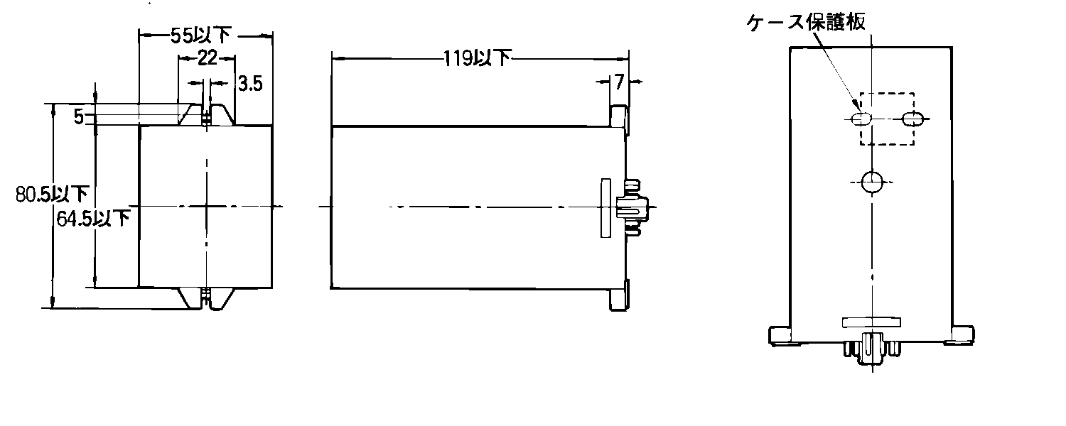
外形図
情報更新:2024/07/25
外形図

端子配置/内部接続
情報更新:2024/07/25
端子配置/内部接続

特性図
情報更新:2024/07/25
電気的寿命曲線

RoHS/REACH対応状況
情報更新:2026/3/18
EU RoHS
| 対応状況 | 対応予定月 | 非含有証明書 |
|---|---|---|
| 対応済み | ダウンロードはこちら |
中国 RoHS
| 中国 RoHS表 | ||||||||||
|---|---|---|---|---|---|---|---|---|---|---|
| Pb | Hg | Cd | Cr(VI) | PBBs | PBDEs | DBP | DIBP | BBP | DEHP | 環境保護 使用期限 |
| O | O | O | O | O | O | O | O | O | O | e |
- “対応済み”や非含有の記載がされた商品であっても、流通在庫等で未対応品が混在する可能性があります。
- 非含有品が必要な際は、弊社営業部門もしくは販売店へお問い合わせください。
規格認証/適合状況
| LR型式承認 (イギリス 船舶規格) |
DNV型式承認 (ノルウェー 船舶規格) |
BV型式承認 (フランス 船舶規格) |
KR型式承認 (韓国 船舶規格) |
NK型式承認 (日本 船舶規格) |
ABS型式承認 (アメリカ 船舶規格) |
|---|---|---|---|---|---|
| Yes | No | No | No | No | No |