商品概要
画像をクリックすると大きくなります
Photomicrosensor, Long-distance Through-beam, Sensing distance: 1 m, Dark-ON, NPN output
在庫/販売状況
2025/12/15 00:00 情報更新| 販売状況 | 受注終了 推奨代替品を探す |
|---|---|
| 受注終了日 | 2025年9月 |
詳細情報
- Ratings/Performance
- Dimensions
- I/O Circuit diagram
- Engineering data (Reference value)
- RoHS/REACH対応状況
- 規格認証/適合状況
Ratings/Performance
情報更新:2024/07/25
| Luminous method | Modulated | |
|---|---|---|
| Sensing method | Through-beam type | |
| Sensing distance | 1 m max. | |
| Operation mode | Dark-ON | |
| Standard sensing object | Opaque, 5 mm dia. min. | |
| Directional angle | 5 to 20 ° | |
| Light source (Peak wavelength) | GaAs infrared LED (pulse lighting) (940 nm) | |
| Indicator | Light indicator (red) | |
| Power supply voltage | 5 to 24 VDC -5 to +10% ripple (p-p) 5 % max. | |
| Current consumption | Emitter/Receiver each: 20 mA max. | |
| Control output | Output type | NPN open collector output |
| Load power supply voltage | 5 to 24 VDC | |
| Load curren | 100 mA max. | |
| Residual voltage | at 100 mA load current: 0.8 V max. at 10 mA load current: 0.4 V max. | |
| Response frequency elements | 100 Hz min. | |
| Illumination on the surface receiver | Incandescent lamp: 3000 lx max. | |
| Ambient temperature | Operating: -10 to 55 ℃ Storage: -25 to 65 ℃ | |
| Ambient humidity | Operating: 5 to 85 % Storage: 5 to 95 % | |
| Vibration resistance | Destruction: 200 to 2000 Hz, peak acceleration 100 m/s2, 1.5-mm double amplitude 2 h each in X, Y, and Z directions (4 min periods) | |
| Shock resistance | Destruction: 500 m/s2 for 3 times each in X, Y, and Z directions | |
| Degree of protection | IP60 | |
| Connection method | Connector type (No) | |
| Weight | Package: Approx. 8.8 g | |
| Material | Case: Polybutylene terephthalate (PBT) Lens: Polycarbonate (PC) | |
| Accessories | Connector with Cable for Emitter and Receiver, Instruction manual | |
Dimensions
情報更新:2024/07/25

Terminal array
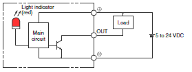
I/O Circuit diagram
情報更新:2024/07/25
Output circuit
Timing chart
Engineering data (Reference value)
情報更新:2024/07/25
RoHS/REACH対応状況
情報更新:2025/12/03
EE-SPW311のRoHS対応状況については、営業部門もしくは販売店にお問い合わせください。
規格認証/適合状況
| LR型式承認 (イギリス 船舶規格) |
DNV型式承認 (ノルウェー 船舶規格) |
BV型式承認 (フランス 船舶規格) |
KR型式承認 (韓国 船舶規格) |
NK型式承認 (日本 船舶規格) |
ABS型式承認 (アメリカ 船舶規格) |
|---|---|---|---|---|---|
| No | No | No | No | No | No |