商品概要
画像をクリックすると大きくなります
ミニパワーリレー, 2極, プラグイン端子, 動作表示灯・ダイオード内蔵形, DC12V
在庫/販売状況
2025/12/12 00:00 情報更新| 販売状況 | 販売中 |
|---|---|
| 機種区分 | 標準在庫機種 |
| 在庫状況 | 〇 |
| 標準価格(税別) | ¥ 805 |
詳細情報
定格/性能
情報更新:2024/07/25
定格
| 動作表示 | LED | |
|---|---|---|
| コイルサージ吸収機能 | ダイオード | |
| 保護構造 | 閉鎖型(ケース入り) | |
| 端子構造 | プラグイン端子 | |
| コイル | コイル定格 | DC12V 47.2mA |
| コイル抵抗 | 278Ω | |
| 動作電圧(セット電圧) | 70%以下 | |
| 復帰電圧(リセット電圧) | 15%以上 | |
| 最大許容電圧 | 110% | |
| 消費電力 | 約0.53W | |
| 接点 | 定格負荷 | AC250V 5A (抵抗負荷) AC250V 2A (誘導負荷 (cosφ=0.4)) DC30V 5A (抵抗負荷) DC30V 3A (誘導負荷 (L/R=7ms)) |
| 接点電圧の最大値 | AC380V DC125V | |
| 接点電流の最大値 | AC: 5A DC: 5A | |
| 最大開閉容量 | 1250VA (抵抗負荷) 500VA (誘導負荷 (cosφ=0.4)) 150W (抵抗負荷) 90W (誘導負荷 (L/R=7ms)) | |
| 接点構成 | 2c | |
| 接触機構 | シングル | |
| 接点材質 | Ag合金 | |
性能
| 接触抵抗 | 50mΩ以下 (DC5V 1A 電圧降下法) |
|---|---|
| 動作時間 | 15ms以下 (定格操作電圧印加時、接点バウンス含まず) |
| 復帰時間 | 20ms以下 (定格操作電圧印加時、接点バウンス含まず) |
| 最大開閉頻度 | 機械的: 18000回/時間 定格負荷: 1800回/時間 |
| 絶縁抵抗 | コイルと接点間: 1000MΩ以上 (DC500V絶縁抵抗計にて) 同極接点間: 1000MΩ以上 (DC500V絶縁抵抗計にて) 異極接点間: 1000MΩ以上 (DC500V絶縁抵抗計にて) |
| 耐電圧 | コイルと接点間: AC5000V 50/60Hz 1min 同極接点間: AC1000V 50/60Hz 1min 異極接点間: AC3000V 50/60Hz 1min |
| 耐振動(耐久) | 10~55~10Hz 片振幅 0.75mm (複振幅 1.5mm) |
| 耐振動(誤動作) | 10~55~10Hz 片振幅 0.75mm (複振幅 1.5mm) |
| 耐衝撃(耐久) | 1000m/s2 |
| 耐衝撃(誤動作) | 励磁: 200m/s2 無励磁: 100m/s2 |
| 耐久性(機械的) | 2000万回以上 (開閉ひん度18,000回/h) |
| 耐久性(電気的) | 10万回以上 (定格負荷、開閉ひん度1,800回/h) |
| 故障率 | DC5V 10mA (P水準、参考値) (開閉ひん度120回/min) |
| 使用温度範囲 | -40~70℃(ただし、氷結、結露しないこと) |
| 使用湿度範囲 | 5~85%RH |
| 質量 | 約20g |
| 取りつけ方法 | ソケット |
| 適用ソケット | P2RFZ-08/ P2RFZ-08-E/ P2RF-08-PU/ P2R-08P/ P2R-087P/ P2R-08A |
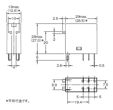
外形図
情報更新:2024/07/25
外形図

端子配置/内部接続
情報更新:2024/07/25
端子配置/内部接続

特性図
情報更新:2024/07/25
開閉容量
CAD
RoHS/REACH対応状況
情報更新:2025/12/03
EU RoHS
| 対応状況 | 対応予定月 | 非含有証明書 |
|---|---|---|
| 対応済み | ダウンロードはこちら |
中国 RoHS
| 中国 RoHS表 | ||||||||||
|---|---|---|---|---|---|---|---|---|---|---|
| Pb | Hg | Cd | Cr(VI) | PBBs | PBDEs | DBP | DIBP | BBP | DEHP | 環境保護 使用期限 |
| X | O | O | O | O | O | O | O | O | O | 10 |
- “対応済み”や非含有の記載がされた商品であっても、流通在庫等で未対応品が混在する可能性があります。
- 非含有品が必要な際は、弊社営業部門もしくは販売店へお問い合わせください。
規格認証/適合状況
| LR型式承認 (イギリス 船舶規格) |
DNV型式承認 (ノルウェー 船舶規格) |
BV型式承認 (フランス 船舶規格) |
KR型式承認 (韓国 船舶規格) |
NK型式承認 (日本 船舶規格) |
ABS型式承認 (アメリカ 船舶規格) |
|---|---|---|---|---|---|
| Yes | No | No | No | No | No |
