(単位:mm)

([]内単位:インチ)

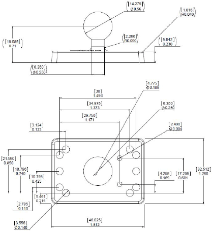
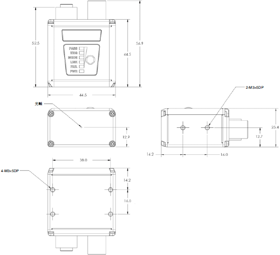
コードリーダ
形V430-F

コードリーダ
形V430-F(リング照明用 光源オプション形V430-AL□Rを付けた場合)

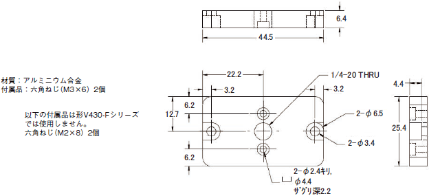
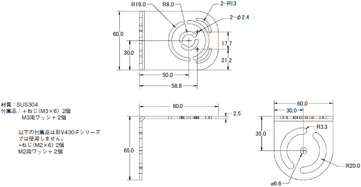
L字型ブラケット(角度調整可能)
形V430-AM0

カメラマウントブラケット
形V430-AM1

カメラマウントスタンド
形V430-AM2

カメラマウント(上下左右可動)
V430-AM3

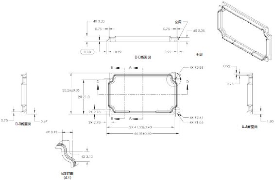
交換用フロントカバー
形V430-AF10
拡散板
形V430-AF11
偏光板
形V430-AF12
YAGフィルタ
形V430-AF4
ESDセーフカバー
形V430-AF5

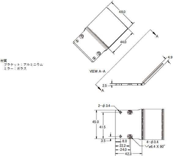
ライトアングルミラー
形V430-AF3

赤色フィルタ付きフロントカバー
形V430-AF6
青色フィルタ付きフロントカバー
形V430-AF7
赤色内蔵LED
形V430-ALR
白色内蔵LED
形V430-ALW
青色内蔵LED
形V430-ALB
赤外内蔵LED
形V430-ALI

交換用フロントカバー(リング照明用)
形V430-AF0R
拡散板(リング照明用)
形V430-AF1R
偏光板(リング照明用)
形V430-AF2R
赤色内蔵LED(リング照明用)
形V430-ALRR
白色内蔵LED(リング照明用)
形V430-ALWR
青色内蔵LED(リング照明用)
形V430-ALBR
赤外内蔵LED(リング照明用)
形V430-ALIR

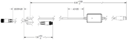
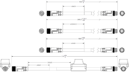
Ethernetケーブル
ストレートコネクタ(1m/3m/5m)
形V430-WE-1M
形V430-WE-3M
形V430-WE-5M

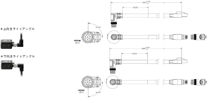
Ethernetケーブル
ライトアングルコネクタ(3m)
形V430-WELU-3M(上向きライトアングル)*
形V430-WELD-3M(下向きライトアングル)*

I/O(M12)ケーブル
ストレートコネクタ(1m/3m/5m)
形V430-WQ-1M
形V430-WQ-3M
形V430-WQ-5M
ノイズ対策ケーブル
形V430-WQF-1M

I/O(フライングリード)ケーブル
ストレートコネクタ(3m/5m)
形V430-W8-3M
形V430-W8-5M

I/O(フライングリード)ケーブル
ストレートコネクタ(3m/5m)
フィルタ付ケーブル
形V430-W8F-3M
形V430-W8F-5M

I/O(フライングリード)ケーブル
上向きライトアングルコネクタ(3m)
形V430-W8LU-3M

I/O(フライングリード)ケーブル
上向きライトアングルコネクタ(3m)
ノイズ対策ケーブル
形V430-W8LUF-3M

I/O(フライングリード)ケーブル
下向きライトアングルコネクタ(3m)
形V430-W8LD-3M

I/O(フライングリード)ケーブル
下向きライトアングルコネクタ(3m)
ノイズ対策ケーブル
形V430-W8LDF-3M

RS-232C- I/O(M12) 2股ケーブル
ストレートコネクタ(2.7m)
形V430-WQR-3M

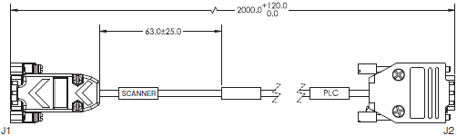
オムロン製 プログラマブルコントローラ(CS/CJ/NJ)
接続用RS-232Cケーブル
形V430-WPLC-2M

キーボードウェッジ- I/O(M12) 2股ケーブル
ストレートコネクタ(2.7m)
形V430-WQK-3M

本ページにない形式の詳細は、データシート(SDNC-009)をご覧ください。