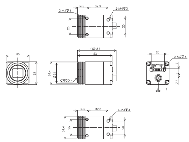
(単位:mm)
SWIR カメラ
形STC-LBS132U3V-SWIR/LBS34U3V-SWIRは2026年11月受注終了予定
※ Web特別価格提供品
インタフェースや解像度から、希望条件に合うカメラを簡単に検索できます。
この商品について
関連情報
情報更新 : 2024/10/01
(単位:mm)
ペルチェ素子搭載
GigE Vision モデル
ペルチェ素子搭載
Camera Link モデル
ペルチェ素子搭載
USB3 Vision モデル
ペルチェ素子非搭載
Camera Link Base モデル
STC-SBS34PCL-SWIR-U
STC-SBS132PCL-SWIR-U
ペルチェ素子非搭載
USB3 Vision モデル
ペルチェ素子非搭載モデル
GigE Vision モデル
情報更新 : 2024/10/01
© Copyright OMRON Corporation 1996 - 2026.
All Rights Reserved.
