Page top
商品情報トップ
ソリューショントップ
現場の異常にすばやく対応できるシステムをテンプレート活用で簡単構築
現場と経営の情報連携プラットフォームを専門的なIT知識不要で構築
ダウンロードセンタトップ
サービスサポートトップ
eラーニング・セミナトップ
オムロンの提供価値トップ
販売ネットワークトップ
フォト・マイクロセンサ(透過形)
形式一覧/価格/オンライン購入
※ Web特別価格提供品
ログインで価格を確認
この商品について
関連情報
情報更新 : 2018/09/03
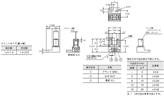
(単位:mm)
形EE-SX3173-P3-Z 形EE-SX4173-P3-Z 形EE-SX3173-P2 形EE-SX4173-P2
形EE-5002 1M
Amazonギフト券が当たる!
サイトユーザーアンケートにご協力ください
2025/11/30(日)まで