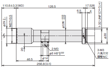
(単位:mm)
この商品について
関連情報
情報更新 : 2015/05/25
(単位:mm)
3Z4S-LE VS-TCH05-65-O
3Z4S-LE VS-TCH05-65CO-O
3Z4S-LE VS-TCH05-110-O
3Z4S-LE VS-TCH05-110CO-O
3Z4S-LE VS-TCH1-65-O
3Z4S-LE VS-TCH1-65CO-O
3Z4S-LE VS-TCH1-110-O
3Z4S-LE VS-TCH1-110CO-O
3Z4S-LE VS-TCH1.5-65-O
3Z4S-LE VS-TCH1.5-65CO-O
3Z4S-LE VS-TCH1.5-110-O
3Z4S-LE VS-TCH1.5-110CO-O
3Z4S-LE VS-TCH2-65-O
3Z4S-LE VS-TCH2-65CO-O
3Z4S-LE VS-TCH2-110-O
3Z4S-LE VS-TCH2-110CO-O
3Z4S-LE VS-TCH4-65-O
3Z4S-LE VS-TCH4-65CO-O
3Z4S-LE VS-TCH4-110-O
3Z4S-LE VS-TCH4-110CO-O
情報更新 : 2015/05/25
© Copyright OMRON Corporation 1996 - 2026.
All Rights Reserved.
