Page top

2008/03 受注終了

WLF2

耐圧防爆形リミットスイッチ

WLF2

従来のタイプに比べて小型化。取りつけスペースの狭いところで使用が可能

※ Web特別価格提供品

※ このページの記載内容は、生産終了以前の製品カタログに基づいて作成した参考情報であり、製品の特長 / 価格 / 対応規格 / オプション品などについて現状と異なる場合があります。ご使用に際してはシステム適合性や安全性をご確認ください。

(単位:mm)

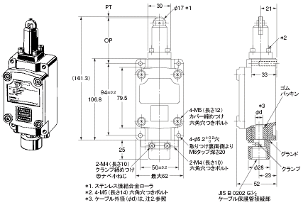
基準形

ローラ・レバー形
形WLF2CA2
(電線管ねじ結合式)

WLF2 外形寸法 2

ローラ・レバー形
形WLF2CA2-C
(耐圧パッキン方式)

WLF2 外形寸法 3

可変ローラ・レバー形
形WLF2CA12
(電線管ねじ結合式)

WLF2 外形寸法 4

可変ローラ・レバー形
形WLF2CA12-C
(耐圧パッキン方式)

WLF2 外形寸法 5

フォークレバー・ロック形
形WLF2CA32-41
(電線管ねじ結合式)

WLF2 外形寸法 6
WLF2 外形寸法 7

注1. 上記、各機種の外形寸法図中、指定のない部分の寸法公差は±0.4mmです。
注2. 耐圧パッキング方式の適用ケーブル外径(φd)は、標準としてφ10±0.5のケーブルが使用できるゴムパッキンを組み込んでいます。
   φ12±0.5ケーブル用も用意していますので、別途ご相談ください。

フォークレバー・ロック形
形WLF2CA32-42
(電線管ねじ結合式)

WLF2 外形寸法 9

フォークレバー・ロック形
形WLF2CA32-42C
(耐圧パッキン方式)

WLF2 外形寸法 10

フォークレバー・ロック形
形WLF2CA32-43
(電線管ねじ結合式)

WLF2 外形寸法 11

可変ロッド・レバー形
形WLF2CL
(電線管ねじ結合式)

WLF2 外形寸法 12

可変ロッド・レバー形
形WLF2CL-C
(耐圧パッキン方式)

WLF2 外形寸法 13
WLF2 外形寸法 14

注1. 上記、各機種の外形寸法図中、指定のない部分の寸法公差は±0.4mmです。
注2. 耐圧パッキング方式の適用ケーブル外径(φd)は、標準としてφ10±0.5のケーブルが使用できるゴムパッキンを組み込んでいます。
   φ12±0.5ケーブル用も用意していますので、別途ご相談ください。

トップ・プランジャ形
形WLF2D
(電線管ねじ結合式)

WLF2 外形寸法 16

トップ・プランジャ形
形WLF2D-C
(耐圧パッキン方式)

WLF2 外形寸法 17

トップローラ・プランジャ形
形WLF2D2
(電線管ねじ結合式)

WLF2 外形寸法 18

トップローラ・プランジャ形
形WLF2D2-C
(耐圧パッキン方式)

WLF2 外形寸法 19

注1. 上記、各機種の外形寸法図中、指定のない部分の寸法公差は±0.4mmです。
注2. 耐圧パッキング方式の適用ケーブル外径(φd)は、標準としてφ10±0.5のケーブルが使用できるゴムパッキンを組み込んでいます。
   φ12±0.5ケーブル用も用意していますので、別途ご相談ください。

WLF2 外形寸法 21

オーバ・トラベル形

・動作後の動き(OT)を大きくし、ドッグの設定を容易にしたリミットスイッチです。
・基本形と主要寸法が同一のため、取りつけに互換性があります。
・基準形と同様に、耐油、防水、防塵構造になっています。

WLF2 外形寸法 22

ローラ・レバー形
形WLF2CA2-2
(電線管ねじ結合式)

WLF2 外形寸法 23

ローラ・レバー形
形WLF2CA2-2C
(耐圧パッキン方式)

WLF2 外形寸法 24

大形ナイロン・ローラ・レバー形
形WLF2CA2-26
(電線管ねじ結合式)

WLF2 外形寸法 25

注1. 上記、各機種の外形寸法図中、指定のない部分の寸法公差は±0.4mmです。
注2. 耐圧パッキング方式の適用ケーブル外径(φd)は、標準としてφ10±0.5のケーブルが使用できるゴムパッキンを組み込んでいます。
   φ12±0.5ケーブル用も用意していますので、別途ご相談ください。

WLF2 外形寸法 27

可変ローラ・レバー形
形WLF2CA12-2
(電線管ねじ結合式)

WLF2 外形寸法 28

可変ローラ・レバー形
形WLF2CA12-2C
(耐圧パッキン方式)

WLF2 外形寸法 29

可変ロッド・レバー形
形WLF2CL-2

WLF2 外形寸法 30

可変ロッド・レバー形
形WLF2CL-2C
(耐圧パッキン方式)

WLF2 外形寸法 31

注1. 上記、各機種の外形寸法図中、指定のない部分の寸法公差は±0.4mmです。
注2. 耐圧パッキング方式の適用ケーブル外径(φd)は、標準としてφ10±0.5のケーブルが使用できるゴムパッキンを組み込んでいます。
   φ12±0.5ケーブル用も用意していますので、別途ご相談ください。

WLF2 外形寸法 33