Page top

(単位:mm)

バー照明 FLV-BRシリーズ

形FLV-BR6022􀚧

FLVシリーズ 外形寸法 2

形FLV-BR8532􀚧

FLVシリーズ 外形寸法 3

形FLV-BR11222􀚧

FLVシリーズ 外形寸法 4

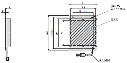
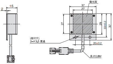
形FLV-BR14030􀚧

FLVシリーズ 外形寸法 5

形FLV-BR15020􀚧

FLVシリーズ 外形寸法 6

形FLV-BR21222􀚧

FLVシリーズ 外形寸法 7

形FLV-BR21230􀚧

FLVシリーズ 外形寸法 8

形FLV-BR38037􀚧

FLVシリーズ 外形寸法 9

形FLV-BR48031􀚧

FLVシリーズ 外形寸法 10

形FLV-BR6424UV

FLVシリーズ 外形寸法 11

形FLV-BR11624UV

FLVシリーズ 外形寸法 12

形FLV-BR21230UV

FLVシリーズ 外形寸法 13

ダイレクトリング照明 FLV-DRシリーズ

形FLV-DR3220􀚧

FLVシリーズ 外形寸法 15

形FLV-DR4415□

FLVシリーズ 外形寸法 16

形FLV-DR5030􀚧

FLVシリーズ 外形寸法 17

形FLV-DR6615􀚧

FLVシリーズ 外形寸法 18

形FLV-DR7000􀚧

FLVシリーズ 外形寸法 19

形FLV-DR7030􀚧

FLVシリーズ 外形寸法 20

形FLV-DR9000􀚧

FLVシリーズ 外形寸法 21

形FLV-DR9030􀚧

FLVシリーズ 外形寸法 22

形FLV-DR9215􀚧

FLVシリーズ 外形寸法 23

形FLV-DR12030􀚧

FLVシリーズ 外形寸法 24

形FLV-DR6030UV

FLVシリーズ 外形寸法 25

形FLV-DR7530UV

FLVシリーズ 外形寸法 26

形FLV-DR9030UV

FLVシリーズ 外形寸法 27

ローアングルリング照明 FLV-DLシリーズ

形FLV-DL5890􀚧

FLVシリーズ 外形寸法 29

形FLV-DL7260􀚧

FLVシリーズ 外形寸法 30

形FLV-DL9090􀚧

FLVシリーズ 外形寸法 31

形FLV-DL12060􀚧

FLVシリーズ 外形寸法 32

形FLV-DL15060􀚧

FLVシリーズ 外形寸法 33

擬似同軸落射照明 FLV-CLシリーズ

形FLV-CL30􀚧

FLVシリーズ 外形寸法 35

形FLV-CL40􀚧

FLVシリーズ 外形寸法 36

形FLV-CL60􀚧

FLVシリーズ 外形寸法 37

形FLV-CL80􀚧

FLVシリーズ 外形寸法 38

形FLV-CL100􀚧

FLVシリーズ 外形寸法 39

無影照明(リング型) FLV-FRシリーズ

形FLV-FR114􀚧

FLVシリーズ 外形寸法 41

形FLV-FR150􀚧

FLVシリーズ 外形寸法 42

無影照明(ローアングルリング型) FLV-FPシリーズ

形FLV-FP130􀚧

FLVシリーズ 外形寸法 44

無影照明(ドーム型) FLV-FSシリーズ

形FLV-FS74􀚧

FLVシリーズ 外形寸法 45

無影照明(角型) FLV-FQシリーズ

形FLV-FQ48􀚧

FLVシリーズ 外形寸法 46

スポット照明 FLV-EP50シリーズ

形FLV-EP50􀚧

FLVシリーズ 外形寸法 47

ハイパワースポット照明 FLV-EP08シリーズ

形FLV-EP0803􀚧

FLVシリーズ 外形寸法 48

直下式照明 FLV-DBシリーズ

形FLV-DB3729􀚧

FLVシリーズ 外形寸法 49

形FLV-DB10181􀚧

FLVシリーズ 外形寸法 50

形FLV-DB130130􀚧

FLVシリーズ 外形寸法 51

形FLV-DB212152􀚧

FLVシリーズ 外形寸法 52

エッジ式照明 FLV-FBシリーズ

形FLV-FB5050􀚧

FLVシリーズ 外形寸法 53

形FLV-FB7070􀚧

FLVシリーズ 外形寸法 54

形FLV-FB9090􀚧

FLVシリーズ 外形寸法 55

形FLV-FB130130􀚧

FLVシリーズ 外形寸法 56

形FLV-FB200200􀚧

FLVシリーズ 外形寸法 57

エッジ式同軸照明 FLV-FXシリーズ

形FLV-FX100􀚧

FLVシリーズ 外形寸法 58

形FLV-FX143􀚧

FLVシリーズ 外形寸法 59

ドーム照明 FLV-DDシリーズ

形FLV-DD70􀚧

FLVシリーズ 外形寸法 60

形FLV-DD100􀚧

FLVシリーズ 外形寸法 61

形FLV-DD150􀚧

FLVシリーズ 外形寸法 62

ライン照明 FLV-LNシリーズ

形FLV-LN82W/B

FLVシリーズ 外形寸法 63

形FLV-LN142W/B

FLVシリーズ 外形寸法 64

形FLV-LN322W/B

FLVシリーズ 外形寸法 65

形FLV-LN442W/B

FLVシリーズ 外形寸法 66

形FLV-LN122R

FLVシリーズ 外形寸法 67

形FLV-LN222R

FLVシリーズ 外形寸法 68

形FLV-LN322R

FLVシリーズ 外形寸法 69

形FLV-LN422R

FLVシリーズ 外形寸法 70

LVシリーズ用カメラ取付照明コントローラ FLV-TCCシリーズ

照明コントローラ

形FLV-TCC4

FLVシリーズ 外形寸法 73

形FLV-TCC1

FLVシリーズ 外形寸法 74

形FLV-TCC3HB

FLVシリーズ 外形寸法 75

形FLV-TCC1EP

FLVシリーズ 外形寸法 76

カメラ取付用プレート(付属品)

FLVシリーズ 外形寸法 77

FLVシリーズ用アナログ照明コントローラ FLV-ATCシリーズ

標準照明用 形FLV-ATC21024/-ATC41024

形FLV-ATC21024-􀚧

FLVシリーズ 外形寸法 80

形FLV-ATC41024-􀚧

FLVシリーズ 外形寸法 81

スポット照明用 形FLV-ATC10405/-ATC40405

形FLV-ATC10405-􀚧

FLVシリーズ 外形寸法 83

形FLV-ATC40405-􀚧

FLVシリーズ 外形寸法 84

ライン照明用 形FLV-ATC26024-100V/-200V

形FLV-ATC26024-􀚧

FLVシリーズ 外形寸法 86

照明オプション品(FLVシリーズ用)

ケーブル

形FLV-XC□

FLVシリーズ 外形寸法 89

形FLV-XC□R

FLVシリーズ 外形寸法 90

形FLV-XC□ EP

FLVシリーズ 外形寸法 91

形FLV-XC□EPR

FLVシリーズ 外形寸法 92

形FLV-XC□LN

FLVシリーズ 外形寸法 93

形FLV-XC□S2

FLVシリーズ 外形寸法 94

Amazonギフト券が当たる!

サイトユーザーアンケートにご協力ください

2025/11/30(日)まで

詳しくはこちら