Page top

(単位:mm)

センサコントローラ

高速・大容量コントローラ/標準コントローラ
形FH-5552/-5552-10/-5552-20/-5551/-5551-10/-5551-20
形FH-5052/-5052-10/-5052-20/-5051/-5051-10/-5051-20
形FH-2052/-2052-10/-2052-20/-2051/-2051-10/-2051-20

FHシリーズ 外形寸法 2

Liteコントローラ
形FH-L551/-L551-10

FHシリーズ 外形寸法 3

カメラ

ハイスピードデジタルCMOSカメラ/デジタルCMOSカメラ

30万画素カメラ
形FH-SM

FHシリーズ 外形寸法 6

40万画素カメラ
形FH-SCX
形FH-SMX

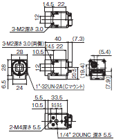
160万画素カメラ
形FH-SCX01
形FH-SMX01

FHシリーズ 外形寸法 7

200万画素カメラ
形FH-SC02
形FH-SM02
400万画素カメラ
形FH-SC04
形FH-SM04

FHシリーズ 外形寸法 8

500万画素カメラ
形FH-SM05R
形FH-SC05R

FHシリーズ 外形寸法 9

形FZ-S5M3
形FZ-SC5M3

FHシリーズ 外形寸法 10

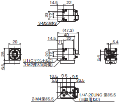
320万画素カメラ
形FH-SCX03
形FH-SMX03
500万画素カメラ
形FH-SCX05
形FH-SMX05
1200万画素カメラ
形FH-SCX12
形FH-SMX12
2040万画素カメラ
形FH-SC21R
形FH-SM21R

FHシリーズ 外形寸法 11

1200万画素カメラ
形FH-SC12
形FH-SM12

FHシリーズ 外形寸法 12

デジタルCCDカメラ

30万画素カメラ
形FZ-S
形FZ-SC

FHシリーズ 外形寸法 14

200万画素カメラ
形FZ-S2M
形FZ-SC2M

FHシリーズ 外形寸法 15

短波赤外線(SWIR)カメラ

33万画素カメラ
形FH-SMX-SWIR

131万画素カメラ
形FH-SMX01-SWIR

FHシリーズ 外形寸法 17

小型デジタルCCDカメラ

カメラヘッド

フラットタイプ
形FZ-SF
形FZ-SFC

FHシリーズ 外形寸法 19

ペンタイプ
形FZ-SP
形FZ-SPC

FHシリーズ 外形寸法 20

カメラアンプ

フラットタイプ、ペンタイプ共通

FHシリーズ 外形寸法 21

インテリジェントコンパクトデジタルCMOSカメラ

狭視野タイプ、中視野タイプ
形FZ-SQ010F
形FZ-SQ050F

FHシリーズ 外形寸法 23

広視野タイプ
形FZ-SQ100F(遠距離)
形FZ-SQ100N(近距離)

FHシリーズ 外形寸法 24

ケーブル

カメラケーブル

カメラケーブル
形FZ-VS3

FHシリーズ 外形寸法 27

耐屈曲カメラケーブル
形FZ-VSB3

FHシリーズ 外形寸法 28

超耐屈曲カメラケーブル
形FZ-VSBX

FHシリーズ 外形寸法 29

ライトアングルカメラケーブル
形FZ-VSL3

FHシリーズ 外形寸法 30

耐屈曲ライトアングルカメラケーブル
形FZ-VSLB3

FHシリーズ 外形寸法 31

長距離カメラケーブル
形FZ-VS4

FHシリーズ 外形寸法 32

長距離ライトアングルカメラケーブル
形FZ-VSL4

FHシリーズ 外形寸法 33

*1 各ケーブルは、2m/3m/5m/10mがあります。
*2 各カメラケーブルには極性があります。銘板の貼られている側をコントローラに接続してください。
*3 各ケーブルは、5m/10mがあります。
*4 ケーブルは15mです。

カメラケーブル延長ユニット

形FZ-VSJ

FHシリーズ 外形寸法 36

小型カメラ用接写リング

形FZ-LESR

FHシリーズ 外形寸法 38

小型カメラ用レンズ

形FZ-LESシリーズ

FHシリーズ 外形寸法 40

エンコーダケーブル

形FH-VR

FHシリーズ 外形寸法 42

パラレルI/Oケーブル

形XW2Z-S013-□

FHシリーズ 外形寸法 44

タッチパネルモニタ

形FH-MT12

FHシリーズ 外形寸法 46

タッチパネルモニタ/液晶モニタ用 DVI-アナログ変換ケーブル

形FH-VMDA

FHシリーズ 外形寸法 48

タッチパネルモニタ用 RS-232Cケーブル

形XW2Z-□□□PP-1

FHシリーズ 外形寸法 50

タッチパネルモニタ用 USBケーブル

形FH-VUAB

FHシリーズ 外形寸法 52

液晶モニタ

形FZ-M08

FHシリーズ 外形寸法 54

Amazonギフト券が当たる!

サイトユーザーアンケートにご協力ください

2025/11/30(日)まで

詳しくはこちら