(単位:mm)
共通付属品
この商品について
関連情報
情報更新 : 2022/09/08
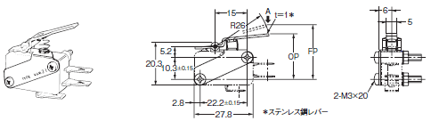
(単位:mm)
注. 上記、外形寸法図中の寸法は参考です。
形VAL
形VAL12
形VAL2
形VAL02
形VAV
形VAV-5
形VAV2
形VAM
形VAM21
形VAM-1
形VAM22
形VAM2
注1. 上記、外形寸法図中、指定のない部分の寸法公差は±0.4mmです。
注2. 動作特性は、A方向(
)に動作した場合です。
下記、各形式中の□には色記号が入ります。
色記号の説明は、「種類/価格」をご覧ください。
注. 指定のない部分の寸法公差は±0.8mmです。
注1. 操作部は抜き差し方式です。
注2. 本アクチュエータにはマイクロスイッチは付属しておりません。
スイッチは別途用途にあったものをご購入ください。
なお、その他部品(ナット、ネジ、ロックワッシャ)は付属されています。
注1. 操作部はねじ込み方式です。
注2. 本アクチュエータにはマイクロスイッチは付属しておりません。
スイッチは別途用途にあったものをご購入ください。
なお、その他部品(ナット、ネジ、ロックワッシャ)は付属されています。
注3. がたつき防止のためスペーサは必ず装着してください。
注1. 操作部は抜き差し方式です。
注2. 本アクチュエータにはマイクロスイッチは付属しておりません。
スイッチは別途用途にあったものをご購入ください。
なお、その他部品(ナット、ネジ、ロックワッシャ)は付属されています。
情報更新 : 2022/09/08
© Copyright OMRON Corporation 1996 - 2026.
All Rights Reserved.
