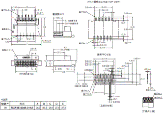
(単位:mm)
回転バックロック方式(0.3mmピッチ 両接点タイプ)
※ このページの記載内容は、生産終了以前の製品カタログに基づいて作成した参考情報であり、製品の特長 / 価格 / 対応規格 / オプション品などについて現状と異なる場合があります。ご使用に際してはシステム適合性や安全性をご確認ください。
この商品について
関連情報
© Copyright OMRON Corporation 1996 - 2026.
All Rights Reserved.

