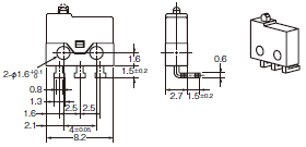
(単位:mm)
極超小形基本スイッチ
この商品について
関連情報
情報更新 : 2010/10/04
(単位:mm)
イラスト・図面はストレート端子の場合です。左アングル端子および右アングル端子は、省略しています。
注1.上記、外形寸法図中、指定のない部分の寸法公差は±0.15㎜です。
注2.動作特性は、A方向(
)に動作した場合です。
情報更新 : 2010/10/04
© Copyright OMRON Corporation 1996 - 2026.
All Rights Reserved.
