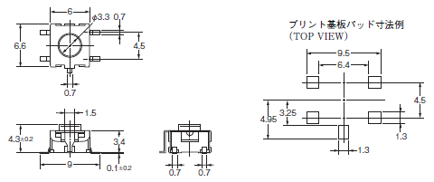
(単位:mm)
シール形サーフェス・マウントタクタイルスイッチ
この商品について
関連情報
情報更新 : 2024/10/01
(単位:mm)
形B3S-1000
形B3S-1002
形B3S-1100
形B3S-1102
注. 上記、各機種の外形寸法図中、指定のない部分の寸法公差は±0.3mmです。
情報更新 : 2024/10/01
© Copyright OMRON Corporation 1996 - 2026.
All Rights Reserved.
