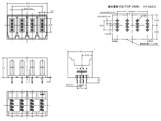
(単位:mm)
産業機器用簡易接続コネクタ
この商品について
関連情報
情報更新 : 2017/02/27
(単位:mm)
形XN2A-1□70
形XN2B-1470
形XN2D-1□71
形XN2D-4471
情報更新 : 2017/02/27
© Copyright OMRON Corporation 1996 - 2026.
All Rights Reserved.
