H7CX-A□-Nは、2023年3月末に生産終了を予定しています。 H7CX-A□-Nを、後継機種H7CCに置換いただくために必要な情報をこのページで紹介します。
下記からお使いの形式を選択してください。
H7CX-A□-Nをお使いのお客様へ
シリーズ共通の変化点
外観の変更点
H7CX-A□-N
- カウント値が設定により赤色/緑色/橙色※から選べます。
※H7CX-A11□は赤色のみです - 4桁タイプと6桁タイプがあります。
4桁タイプは全桁上下キーで、6桁タイプは全桁上キーのみでの設定です。 - オプション品として、交換用フロントパネル
(形Y92P-CXCシリーズ)があります。
Y92P-CXC□G ライトグレー(5Y7/1)
Y92P-CXC□S ブラック(N1.5)
Y92P-CXC□S ホワイト(5Y9.2/0.5)
ライトグレー
ブラック
ホワイト
H7CC
- カウント値は白色表示で視認性向上、カラーユニバーサルデザインを採用しています。
- 6桁タイプのみです。全桁上下キーを配置し、設定時などの操作回数が減らせます。
- オプション品の交換用フロントパネルはありません。
操作の変更点
H7CX-A□-N
MODEは専用キーです。
キー操作毎に順方向にMODEが切り替わります。
4桁タイプ
6桁タイプ
H7CC
MODEはDW1+DW3またはUP1+UP3を同時押しです。
DW1+DW3操作時はMODE切替が順方向に進み、UP1+UP3操作時は逆方向に進みます。
H7CX-A□-N
RESETは専用キーです。
キーを押すとすぐにRESETします。
キー周りの壁で誤操作を防止します。
4桁タイプ
6桁タイプ
H7CC
RESETはUP6+DW6を同時長押しです。
RESETを受け付けるとLEDが点滅し、LED消灯でRESETします。
点滅中にキーを離すとRESETが中断されます。
キーの同時長押しやLEDの視覚的ガイドで誤操作を防止します。
操作の変更点
H7CX-A□-N
ディップスイッチを使って一部設定ができました。
ディップスイッチで設定し取りつけた後、設定変更する場合は、取り外し作業が必要です。
H7CC
ディップスイッチをなくし、全ての設定をキー操作で行えます。
全ての設定をキー操作で行えるため、設定変更する場合の取り外し作業は不要です。
機能の変更点
表示色切替以外は全て継承しています。さらに以下の機能を追加しました。
H7CC
<カウンタの場合>
- 入力モード※
- 出力割当
- 出力反転
- 停電記憶
- H7AN互換
- インジケータ表示モード
- 積算稼働時間 警報設定値
- 積算稼働時間 モニタ値
- ソフトウェアバージョン
※入力モードにUP/DOWN D~Fが追加されます。
<タコメータの場合※>
- 出力割当
- 出力反転
- インジケータ表示モード
- 積算稼働時間 警報設定値
- 積算稼働時間 モニタ値
- ソフトウェアバージョン
※H7CC-AW/-AUの場合のみ
形式毎の変化点
| 生産終了商品との相違点 | 形H7CX-A114-N | 形H7CC-A11 | |
|---|---|---|---|
| 定格性能 | 消費電力 | 約9.4VA(AC100~240V) | 約6.8VA(AC100~240V) |
| 生産終了商品との相違点 | 形H7CX-A114S-N | 形H7CC-A11S | |
|---|---|---|---|
| 定格性能 | 消費電力 | 約9.4VA(AC100~240V) | 約6.8VA(AC100~240V) |
| 生産終了商品との相違点 | 形H7CX-A114D1-N | 形H7CC-A11D | |
|---|---|---|---|
| 定格性能 | 電源電圧 | AC24V 50/60Hz/DC12~24V | AC24V 50/60Hz/DC12~48V |
| 消費電力 | 約7.2VA/4.7W(AC24V/DC12~24V) | 約5.5VA/3.3W(AC24V/DC12~48V) | |
| 生産終了商品との相違点 | 形H7CX-A11-N | 形H7CC-A11 | |
|---|---|---|---|
| 定格性能 | 消費電力 | 約9.4VA(AC100~240V) | 約6.8VA(AC100~240V) |
| 生産終了商品との相違点 | 形H7CX-A11S-N | 形H7CC-A11S | |
|---|---|---|---|
| 定格性能 | 消費電力 | 約9.4VA(AC100~240V) | 約6.8VA(AC100~240V) |
| 生産終了商品との相違点 | 形H7CX-A11D1-N | 形H7CC-A11D | |
|---|---|---|---|
| 定格性能 | 電源電圧 | AC24V 50/60Hz/DC12~24V | AC24V 50/60Hz/DC12~48V |
| 消費電力 | 約7.2VA/4.7W(AC24V/DC12~24V) | 約5.5VA/3.3W(AC24V/DC12~48V) | |
| 生産終了商品との相違点 | 形H7CX-A11SD1-N | 形H7CC-A11SD | |
|---|---|---|---|
| 定格性能 | 電源電圧 | AC24V 50/60Hz/DC12~24V | AC24V 50/60Hz/DC12~48V |
| 消費電力 | 約7.2VA/4.7W(AC24V/DC12~24V) | 約5.5VA/3.3W(AC24V/DC12~48V) | |
| 生産終了商品との相違点 | 形H7CX-A4-N | 形H7CC-A | |
|---|---|---|---|
| 外形寸法 |
![]() |
![]() |
|
| 定格性能 | 消費電力 | 約9.4VA(AC100~240V) | 約6.8VA(AC100~240V) |
| 生産終了商品との相違点 | 形H7CX-A4S-N | 形H7CC-AS | |
|---|---|---|---|
| 外形寸法 |
![]() |
![]() |
|
| 定格性能 | 消費電力 | 約9.4VA(AC100~240V) | 約6.8VA(AC100~240V) |
| 生産終了商品との相違点 | 形H7CX-A4D-N | 形H7CC-AD | |
|---|---|---|---|
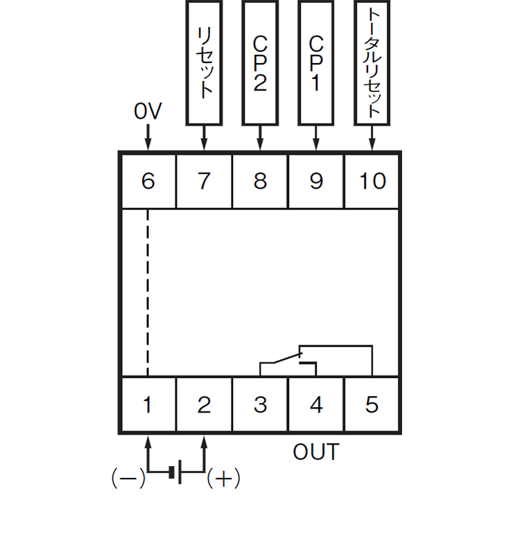
| 端子配置 |
①-⑥端子は内部で接続されています。
|
![]() |
|
| 定格性能 | 電源電圧 | DC12~24V | AC24V 50/60Hz/DC12~48V |
| 消費電力 | 約3.7W(DC12~24V) | 約5.5VA/3.3W(AC24V/DC12~48V) | |
| 外部機器への供給電源 | なし | DC12V(±10%)100mA | |
| 生産終了商品との相違点 | 形H7CX-A4SD-N | 形H7CC-ASD | |
|---|---|---|---|
| 端子配置 |
①-⑥端子は内部で接続されています。 |
![]() |
|
| 定格性能 | 電源電圧 | DC12~24V | AC24V 50/60Hz/DC12~48V |
| 消費電力 | 約3.7W(DC12~24V) | 約5.5VA/3.3W(AC24V/DC12~48V) | |
| 外部機器への供給電源 | なし | DC12V(±10%)100mA | |
| 生産終了商品との相違点 | 形H7CX-A-N | 形H7CC-A | |
|---|---|---|---|
| 外形寸法 |
![]() |
![]() |
|
| 定格性能 | 消費電力 | 約9.4VA(AC100~240V) | 約6.8VA(AC100~240V) |
| 生産終了商品との相違点 | 形H7CX-AS-N | 形H7CC-AS | |
|---|---|---|---|
| 外形寸法 |
![]() |
![]() |
|
| 定格性能 | 消費電力 | 約9.4VA(AC100~240V) | 約6.8VA(AC100~240V) |
| 生産終了商品との相違点 | 形H7CX-AD-N | 形H7CC-AD | |
|---|---|---|---|
| 端子配置 |
①-⑥端子は内部で接続されています。 |
![]() |
|
| 定格性能 | 電源電圧 | DC12~24V | AC24V 50/60Hz/DC12~48V |
| 消費電力 | 約3.7W(DC12~24V) | 約5.5VA/3.3W(AC24V/DC12~48V) | |
| 外部機器への供給電源 | なし | DC12V(±10%)100mA | |
| 生産終了商品との相違点 | 形H7CX-ASD-N | 形H7CC-ASD | |
|---|---|---|---|
| 端子配置 |
①-⑥端子は内部で接続されています。 |
![]() |
|
| 定格性能 | 電源電圧 | DC12~24V | AC24V 50/60Hz/DC12~48V |
| 消費電力 | 約3.7W(DC12~24V) | 約5.5VA/3.3W(AC24V/DC12~48V) | |
| 外部機器への供給電源 | なし | DC12V(±10%)100mA | |
| 生産終了商品との相違点 | 形H7CX-A4W-N | 形H7CC-AW | |
|---|---|---|---|
| 外形寸法 |
![]() |
![]() |
|
| 定格性能 | 消費電力 | 約9.4VA(AC100~240V) | 約6.8VA(AC100~240V) |
| 生産終了商品との相違点 | 形H7CX-A4WSD-N | 形H7CC-AWSD | |
|---|---|---|---|
| 端子配置 |
①-⑥端子は内部で接続されています。 |
![]() |
|
| 定格性能 | 電源電圧 | DC12~24V | AC24V 50/60Hz/DC12~48V |
| 消費電力 | 約3.7W(DC12~24V) | 約5.5VA/3.3W(AC24V/DC12~48V) | |
| 外部機器への供給電源 | なし | DC12V(±10%)100mA | |
| 生産終了商品との相違点 | 形H7CX-AW-N | 形H7CC-AW | |
|---|---|---|---|
| 外形寸法 |
![]() |
![]() |
|
| 定格性能 | 消費電力 | 約9.4VA(AC100~240V) | 約6.8VA(AC100~240V) |
| 生産終了商品との相違点 | 形H7CX-AWS-N | 形H7CC-AWS | |
|---|---|---|---|
| 外形寸法 |
![]() |
![]() |
|
| 定格性能 | 消費電力 | 約9.4VA(AC100~240V) | 約6.8VA(AC100~240V) |
| 生産終了商品との相違点 | 形H7CX-AWD1-N | 形H7CC-AWD | |
|---|---|---|---|
| 外形寸法 |
![]() |
![]() |
|
| 定格性能 | 電源電圧 | AC24V 50/60Hz/DC12~24V | AC24V 50/60Hz/DC12~48V |
| 消費電力 | 約7.2VA/4.7W(AC24V/DC12~24V) | 約5.5VA/3.3W(AC24V/DC12~48V) | |
| 生産終了商品との相違点 | 形H7CX-AWSD1-N | 形H7CC-AWSD | |
|---|---|---|---|
| 外形寸法 |
![]() |
![]() |
|
| 定格性能 | 電源電圧 | AC24V 50/60Hz/DC12~24V | AC24V 50/60Hz/DC12~48V |
| 消費電力 | 約7.2VA/4.7W(AC24V/DC12~24V) | 約5.5VA/3.3W(AC24V/DC12~48V) | |
| 生産終了商品との相違点 | 形H7CX-AWSD-N | 形H7CC-AWSD | |
|---|---|---|---|
| 端子配置 |
①-⑥端子は内部で接続されています。 |
![]() |
|
| 定格性能 | 電源電圧 | DC12~24V | AC24V 50/60Hz/DC12~48V |
| 消費電力 | 約3.7W(DC12~24V) | 約5.5VA/3.3W(AC24V/DC12~48V) | |
| 外部機器への供給電源 | なし | DC12V(±10%)100mA | |


①-⑥端子は内部で接続されています。

①-⑥端子は内部で接続されています。
①-⑥端子は内部で接続されています。