商品概要
画像をクリックすると大きくなります
Rectangular Standard Proximity Sensor, Sensing distance: 5 mm, Unshielded, DC 3-wire, NPN, NO, Cable length 2 m
在庫/販売状況
2025/12/10 00:00 情報更新| 販売状況 | 販売中 |
|---|---|
| 機種区分 | 標準在庫機種 |
| 在庫状況 | 〇 |
| 標準価格(税別) | ¥ 3,800 |
詳細情報
- Ratings/Performance
- Dimensions
- Output circuit
- Mutual interference
- Effects of surrounding metals
- Characteristic chart
- RoHS/REACH対応状況
- 規格認証/適合状況
Ratings/Performance
情報更新:2024/08/08
| Sensing head size | 17 mm x 17 mm x 28 mm |
|---|---|
| Type | Square type, Unshielded |
| Power source | DC Three-wires models |
| Sensing distance | 5 mm ±10% |
| Setting distance | 0 to 4 mm |
| Differential distance | 10% max. of sensing distance |
| Sensing object | Ferrous metal (Sensitivity lowers with non-ferrous metals.) |
| Standard sensing object | Iron 15 x 15 x 1 mm |
| Response frequency | 500 Hz (Average value) |
| Response time | 2 ms max. |
| Power supply voltage | 12 to 24 VDC ripple (p-p) 10% max. |
| Operating voltage range | 10 to 30 VDC |
| Current consumption | at 24 VDC: 10 mA max. |
| Control output (Output type) | NPN open collector |
| Control output (Switching capacity) | 50 mA max. (30 VDC max.) |
| Control output (Residual voltage) | 1 V max. (Load current 50 mA with cable length of 2 m) |
| Indicator | Detection indicator (red) |
| Operation mode | NO |
| Protective circuit | Reverse polarity protection Surge suppressor |
| Ambient temperature (Operating) | -25 to 70 ℃ |
| Ambient temperature (Storage) | -25 to 70 ℃ |
| Ambient humidity (Operating) | 35 to 95 % |
| Ambient humidity (Storage) | 35 to 95 % |
| Temperature influence | ±20% max. of sensing distance at 23 ℃ in the temperature range of −25 to 70 ℃ |
| Voltage influence | ±2.5% max. of sensing distance at rated voltage in the rated voltage ±10% range |
| Insulation resistance | Between charged parts and the case: 5 MΩ min. (at 500 VDC) |
| Dielectric strength | Between charged parts and the case: 500 VAC 50/60 Hz 1 min |
| Vibration resistance | Destruction: 10 to 55 Hz, 1.5 mm double amplitude each in X, Y, and Z directions for 2 h |
| Shock resistance | Destruction: 200 m/s2 10 times each in X, Y, and Z directions |
| Degree of protection | IEC: IP67 |
| Connection method | Pre-wired models (2 m) |
| Weight | Package: Approx. 90 g |
| Material | Case: Heat-resistant ABS resin Sensing surface: Heat-resistant ABS resin |
Dimensions
情報更新:2024/08/08
Dimensions

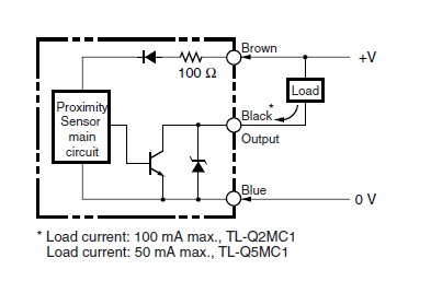
Output circuit
情報更新:2024/08/08
Output circuit

Timing chart

Mutual interference
情報更新:2024/08/08
Mutual interference

A: 60 mm min., B: 120 mm min.
Effects of surrounding metals
情報更新:2024/08/08
Effects of surrounding metals

A: 20 mm min., B: 20 mm min.
Characteristic chart
情報更新:2024/08/08
Sensing distance vs. size and material of sensing object

Sensing range

RoHS/REACH対応状況
情報更新:2025/12/03
EU RoHS
| 対応状況 | 対応予定月 | 非含有証明書 |
|---|---|---|
| 対応済み | ダウンロードはこちら |
中国 RoHS
| 中国 RoHS表 | ||||||||||
|---|---|---|---|---|---|---|---|---|---|---|
| Pb | Hg | Cd | Cr(VI) | PBBs | PBDEs | DBP | DIBP | BBP | DEHP | 環境保護 使用期限 |
| X | O | O | O | O | O | O | O | O | O | 10 |
- “対応済み”や非含有の記載がされた商品であっても、流通在庫等で未対応品が混在する可能性があります。
- 非含有品が必要な際は、弊社営業部門もしくは販売店へお問い合わせください。
規格認証/適合状況
| LR型式承認 (イギリス 船舶規格) |
DNV型式承認 (ノルウェー 船舶規格) |
BV型式承認 (フランス 船舶規格) |
KR型式承認 (韓国 船舶規格) |
NK型式承認 (日本 船舶規格) |
ABS型式承認 (アメリカ 船舶規格) |
|---|---|---|---|---|---|
| No | No | No | No | No | No |