商品概要
画像をクリックすると大きくなります
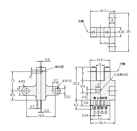
フォト・マイクロセンサ, 溝型, 透過形, T型(溝中心10mm), 検出距離: 5mm(溝幅), しゃ光時ON/入光時ON(切替可), 表示灯: 入光時点灯, PNP出力, コネクタタイプ
在庫/販売状況
2025/12/18 00:00 情報更新| 販売状況 | 販売中 |
|---|---|
| 機種区分 | 標準在庫機種 |
| 在庫状況 | 〇 |
| 標準価格(税別) | ¥ 1,120 |
詳細情報
定格/性能
情報更新:2024/07/25
定格
| タイプ | 溝型 (T型) (溝中心 10mm) | |
|---|---|---|
| 発光方式 | 直流光 | |
| 検出方式 | 透過形 | |
| 検出距離 | 溝幅: 5mm | |
| 動作モード | しゃ光時ON/入光時ON(切替可) | |
| 標準検出物体 | 2×0.8mm以上の不透明体 | |
| 応差 | 0.025mm以下 | |
| 光源(ピーク発光波長) | 赤外発光ダイオード (940nm) | |
| 表示灯 | 入光時点灯(赤色) | |
| 電源電圧 | DC5~24V ±10% リップル(p-p) 10%以下 | |
| 消費電流 | 12mA (L端子開放時) | |
| 制御出力 | 出力形式 | PNPオープンコレクタ出力 |
| 負荷電源電圧 | DC5~24V | |
| 負荷電流 | 50mA以下 | |
| 残留電圧 | 負荷電流50mA時: 1.3V以下 | |
| 保護回路 | 負荷短絡保護 | |
| 応答周波数 | 1kHz以上 平均値: 3kHz | |
| 受光面照度 | 蛍光灯: 1000lx以下 | |
| 周囲温度範囲 | 動作時: -25~55℃ (ただし、氷結、結露しないこと) 保存時: -30~80℃ (ただし、氷結、結露しないこと) | |
| 周囲湿度範囲 | 動作時: 5~85%RH (ただし、結露しないこと) 保存時: 5~95%RH (ただし、結露しないこと) | |
| 耐振動 | 耐久: 20~2000Hz ピーク加速度 100m/s2 複振幅 1.5mm X、Y、Z各方向 2h(4min周期) | |
| 耐衝撃 | 耐久: 500m/s2 X、Y、Z各方向 3回 | |
| 保護構造 | IP50 | |
| 接続方式 | コネクタタイプ (直接はんだづけ可能) | |
| 質量 | 梱包状態: 約2.7g | |
| 材質 | ケース: ポリブチレンテレフタレート(PBT) 投・受光部カバー: ポリカーボネート(PC) | |
外形図
情報更新:2024/07/25

端子配置
入出力段回路図
情報更新:2024/07/25
出力回路
タイムチャート

特性データ(参考値)
情報更新:2024/07/25

CAD
RoHS/REACH対応状況
情報更新:2025/12/17
EU RoHS
| 対応状況 | 対応予定月 | 非含有証明書 |
|---|---|---|
| 対応済み | ダウンロードはこちら |
中国 RoHS
| 中国 RoHS表 | ||||||||||
|---|---|---|---|---|---|---|---|---|---|---|
| Pb | Hg | Cd | Cr(VI) | PBBs | PBDEs | DBP | DIBP | BBP | DEHP | 環境保護 使用期限 |
| X | O | O | O | O | O | O | O | O | O | 10 |
- “対応済み”や非含有の記載がされた商品であっても、流通在庫等で未対応品が混在する可能性があります。
- 非含有品が必要な際は、弊社営業部門もしくは販売店へお問い合わせください。
規格認証/適合状況
| LR型式承認 (イギリス 船舶規格) |
DNV型式承認 (ノルウェー 船舶規格) |
BV型式承認 (フランス 船舶規格) |
KR型式承認 (韓国 船舶規格) |
NK型式承認 (日本 船舶規格) |
ABS型式承認 (アメリカ 船舶規格) |
|---|---|---|---|---|---|
| No | No | No | No | No | No |