商品概要
画像をクリックすると大きくなります
セミコンパクト封入スイッチ, ヒンジ・短レバー形
在庫/販売状況
2025/12/19 00:00 情報更新| 販売状況 | 販売中 |
|---|---|
| 機種区分 | 標準在庫機種 |
| 在庫状況 | 〇 |
| 標準価格(税別) | ¥ 1,260 |
詳細情報
定格/仕様
情報更新:2025/09/04
| 形状・構造 | 汎用ヨコ型 |
|---|---|
| アクチュエータ | ヒンジ・短レバー形 ステンレス鋼レバー |
| 定格周波数 | 50/60Hz |
| 接点構成 | 1c |
| 負荷 | 一般負荷 |
| 開閉能力(AC) | 抵抗負荷: AC125V 10A/AC250V 10A/AC480V 3A ランプ負荷(NC): AC125V 3A/AC250V 2.5A/AC480V 1.5A ランプ負荷(NO): AC125V 1.5A/AC250V 1.25A/AC480V 0.75A 誘導負荷: AC125V 10A/AC250V 10A/AC480V 2.5A 電動機負荷(NC): AC125V 5A/AC250V 3A/AC480V 1.5A 電動機負荷(NO): AC125V 2.5A/AC250V 1.5A/AC480V 0.75A |
| 開閉能力(DC) | 抵抗負荷: DC8V 10A/DC14V 10A/DC30V 6A/DC125V 0.5A/DC250V 0.25A ランプ負荷(NC): DC8V 3A/DC14V 3A/DC30V 3A/DC125V 0.4A/DC250V 0.2A ランプ負荷(NO): DC8V 1.5A/DC14V 1.5A/DC30V 1.5A/DC125V 0.4A/DC250V 0.2A 誘導負荷: DC8V 6A/DC14V 6A/DC30V 5A/DC125V 0.05A/DC250V 0.03A 電動機負荷(NC): DC8V 5A/DC14V 5A/DC30V 5A/DC125V 0.05A/DC250V 0.03A 電動機負荷(NO): DC8V 2.5A/DC14V 2.5A/DC30V 2.5A/DC125V 0.05A/DC250V 0.03A |
| 許容突入電流 | 常時閉路: 最大30A 常時開路: 最大15A |
| 周囲温度範囲 | 使用時: -10~80℃ (ただし、氷結しないこと) |
| 周囲湿度範囲 | 35~95%RH |
| 許容操作頻度 | 電気的: 20回/分以下 機械的: 120回/分以下 |
|---|---|
| 接触抵抗 (初期値) | 15mΩ以下 (内蔵スイッチ単体) |
| 絶縁抵抗 | 100MΩ以上 (DC500Vメガにて) |
| 耐電圧 | 同極端子間: AC1000V 50/60Hz 1min 各端子と非充電金属部間: AC2000V 50/60Hz 1min |
| 耐久性 | 電気的: 50万回以上 機械的: 1000万回以上 |
| 耐振動 | 誤動作: 10~55Hz 複振幅 1.5mm (自由状態、動作限度位置にて1ms以内) |
| 耐衝撃 | 耐久: 最大1000m/s2 |
| 保護構造 | IP67 |
| 動作に必要な力(OF) | 規格値 最大 2.55N |
|---|---|
| もどりの力(RF) | 規格値 最小 0.34N |
| 応差の動き(MD) | 規格値 最大 1.7mm |
| 動作後の動き(OT) | 規格値 最小 2.5mm |
| 動作位置(OP) | 規格値 25±1mm |
| 自由位置(FP) | 規格値 最大 33mm |
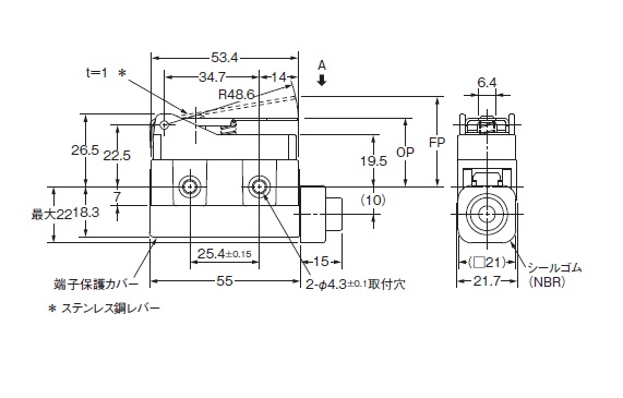
外形図
情報更新:2025/09/04

取りつけ穴加工図

回路構成
情報更新:2025/09/04

特性図
情報更新:2025/09/04
耐久曲線図
電気的:

CAD
RoHS/REACH対応状況
情報更新:2025/12/17
EU RoHS
| 対応状況 | 対応予定月 | 非含有証明書 |
|---|---|---|
| 対応済み | ダウンロードはこちら |
中国 RoHS
| 中国 RoHS表 | ||||||||||
|---|---|---|---|---|---|---|---|---|---|---|
| Pb | Hg | Cd | Cr(VI) | PBBs | PBDEs | DBP | DIBP | BBP | DEHP | 環境保護 使用期限 |
| X | O | O | O | O | O | O | O | O | O | 10 |
- “対応済み”や非含有の記載がされた商品であっても、流通在庫等で未対応品が混在する可能性があります。
- 非含有品が必要な際は、弊社営業部門もしくは販売店へお問い合わせください。
規格認証/適合状況
| LR型式承認 (イギリス 船舶規格) |
DNV型式承認 (ノルウェー 船舶規格) |
BV型式承認 (フランス 船舶規格) |
KR型式承認 (韓国 船舶規格) |
NK型式承認 (日本 船舶規格) |
ABS型式承認 (アメリカ 船舶規格) |
|---|---|---|---|---|---|
| No | No | No | No | No | No |