商品概要
画像をクリックすると大きくなります
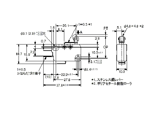
小形基本スイッチ, 微小負荷, 1c, ヒンジ・ローラ・短レバー形, 動作に必要な力(OF): 最大0.59N, はんだづけ端子
在庫/販売状況
2025/10/31 00:00 情報更新| 販売状況 | 販売中 | 
|---|---|
| 機種区分 | 受注生産機種 | 
| 在庫状況 | |
| 標準価格(税別) | オープン価格 | 
詳細情報
定格/性能
情報更新:2024/07/25
| アクチュエータ | ヒンジ・ローラ・短レバー形 φ4.8×4.8 ステンレス鋼レバー、ポリアセタール樹脂ローラ | 
|---|---|
| 接点構成 | 1c (単極双投形) クロスバ 金合金 | 
| 接点間隔(標準値) | 1.0mm | 
| 端子仕様 | はんだづけ端子 | 
| 負荷 | 微小負荷 | 
| 定格通電電流 | 0.1A | 
| 開閉能力(AC) | 抵抗負荷: AC125V 0.1A | 
| 開閉能力(DC) | 抵抗負荷: DC30V 0.1A | 
| 周囲温度範囲 | -25~80℃ 60%RH以下 | 
| 周囲湿度範囲 | 85%RH以下 5~35℃にて | 
| 許容操作頻度 | 電気的: 60回/分以下 | 
|---|---|
| 接触抵抗(初期値) | 50mΩ以下 | 
| 絶縁抵抗 | 100MΩ以上 (DC500V絶縁抵抗計にて) | 
| 耐電圧 | 同極端子間: AC1000V 50/60Hz 1min 充電金属部とアース間: AC2000V 50/60Hz 1min 各端子と非充電金属部間: AC2000V 50/60Hz 1min | 
| 耐久性 | 電気的: 50万回以上 (30回/min) 機械的: 1000万回以上 (60回/min) | 
| 保護構造 | IP40 | 
| 感電保護クラス | Class II | 
| 耐振動 | 誤動作: 10~55Hz 複振幅 1.5mm | 
| 耐衝撃 | 耐久: 最大400m/s2 誤動作: 最大100m/s2 | 
| 動作に必要な力(OF) | 規格値 最大0.59N | 
|---|---|
| もどりの力(RF) | 規格値 最小0.06N | 
| 動作までの動き(PT) | 規格値 最大1.6mm | 
| 動作後の動き(OT) | 規格値 最小0.8mm | 
| 応差の動き(MD) | 規格値 最大0.6mm | 
| 動作位置(OP) | 規格値 20.1~21.3mm | 
外形図
情報更新:2024/07/25

取りつけ穴加工図
情報更新:2024/07/25
ねじ取りつけ穴加工図

端子構造
情報更新:2024/07/25

適合負荷領域図
情報更新:2024/07/25

CAD
    
RoHS/REACH対応状況
情報更新:2025/10/23
EU RoHS
| 対応状況 | 対応予定月 | 非含有証明書 | 
|---|---|---|
| 対応済み | ダウンロードはこちら | 
中国 RoHS
| 中国 RoHS表 | ||||||
|---|---|---|---|---|---|---|
| 鉛 (PB) | 水銀 (Hg) | カドミウム (Cd) | 六価クロム (Cr(VI)) | ポリ臭化 ビニフェル (PBB) | ポリ臭化 ジフェニルエーテル (PBDE) | 環境保護 使用期限 | 
| O | O | O | O | O | O | e | 
- “対応済み”や非含有の記載がされた商品であっても、流通在庫等で未対応品が混在する可能性があります。
- 非含有品が必要な際は、弊社営業部門もしくは販売店へお問い合わせください。
規格認証/適合状況
D3V-015-1A3についての規格認証/適合状況については、「カスタマーサポートセンタ お客様相談室」または貴社担当オムロン営業員または販売店にお問い合わせください。

