商品概要
画像をクリックすると大きくなります
電力量モニタ, 三相4線式:AC100~277V、AC173~480V / 単相2線式:AC100~277V / 単相3線式:AC100~240V、AC200~480V / 三相3線式 1相接地:AC100~480V / 三相3線式 非接地:AC173~480V
在庫/販売状況
2025/12/22 00:00 情報更新| 販売状況 | 販売中 |
|---|---|
| 機種区分 | 標準在庫機種 |
| 在庫状況 | △ |
| 標準価格(税別) | ¥ 45,500 |
詳細情報
定格/性能
情報更新:2025/10/14
| 適用相線式 | 単相2線式 単相3線式 三相3線式 三相4線式 | |
|---|---|---|
| 回路数 | 単相2線: 4回路、単相3線: 2回路、三相3線: 2回路、三相4線: 1回路 | |
| 定格電源電圧 | 計測電圧入力共用 AC100~277V (L-N)、AC173~480VAC (L-L) | |
| 定格電源電圧変動範囲 | 定格電源電圧の85~115% | |
| 定格周波数 | 50/60 Hz | |
| 周波数変動範囲 | 45~65Hz | |
| 定格入力電圧 | 単相2線式: AC100~277V 単相3線式 (L-N): AC100~240V 単相3線式 (L-L): AC200~480V 三相3線式 (L-L)1相接地: AC100~480V 三相3線式 (L-L) 非接地: AC173~480V 三相4線式 (L-N): AC100~277V 三相4線式 (L-L): AC173~480V | |
| 許容入力電圧 | 定格入力電圧の85~115% | |
| 入力電流 | 専用CT: 5A、50A、100A、200A、400A、600A | |
| 許容入力電流 | 定格入力電流の110% | |
| 消費電力 | 15VA以下 | |
| 確度 | 電圧 | (5A CT): ±0.5% FS±1digit |
| 電流 | (5A CT): ±0.5% FS±1digit | |
| 電力 | (5A CT): ±1.0% FS±1digit (力率=1) | |
| 周波数 | (5A CT): ±0.2% FS±1digit | |
| 計測項目 | 積算電力量 (有効/回生/無効) 電力 (有効/無効) 電流 電圧 力率 周波数 | |
| 計測仕様 | 有効電力 (50A CT、100A CT、200A CT、400A CT、600A CT): 0.5% (IEC62053-22 class 0.5S) 無効電力 (50A CT、100A CT、200A CT、400A CT、600A CT): 2% (IEC62053-23 class 2) | |
| サンプリング周期 | 50Hz時: 80ms 60Hz時: 66.7ms | |
| 温度の影響 | ±1.0% FS (使用温度範囲内において周囲温度23℃、定格入力、定格周波数、力率=1) | |
| 周波数の影響 | ±1.0% FS (定格周波数±5%において、周囲温度23℃、定格入力、定格周波数、力率=1) | |
| 高調波の影響 | ±0.5%FS (周囲温度23℃、基本波に対し電流30%、電圧5%の含有率で第2、3、5、7、9、11、13次高調波を重畳させたときの誤差) | |
| 表示 | LED | |
| CT種別 | 5A、50A、100A、200A、400A、600A(専用CT) | |
| 通信 | 種類 | Ethernet通信 |
| プロトコル | TCP/IP、UDP/IP | |
| 伝送速度 | 100Mbps (100BASE-TX) | |
| 最大伝送距離 | 100m以下 | |
| 絶縁抵抗 | 電圧入力端子一括、電流入力端子一括とLANポート間: 20MΩ以上 (DC500Vメガ) 全端子一括とケース間: 20MΩ以上 (DC500Vメガ) | |
| 耐電圧 | 電圧入力端子一括、電流入力端子一括とLANポート間: AC2,000V 1分間 全端子一括とケース間: AC2,000V 1分間 | |
| 使用周囲温度 | -25~55℃ | |
| 保存周囲温度 | -25~85℃ | |
| 使用周囲湿度 | 25~85% | |
| 保存周囲湿度 | 25~85% | |
| 耐振動 | 10~55Hz 片振幅0.35mm、加速度50m/s2、X、Y、Z各方向 5分×10掃引 | |
| 耐衝撃 | 150m/s2 上下、左右、前後6方向、各3回 | |
| 標高 | 2000m以下 | |
| 設置環境 | EN61010-1/EN61010-2-030、汚染度2、過電圧/測定カテゴリⅡ(L-N: 480V)、Ⅲ(L-N: 300V) | |
| 保護構造 | IP20 (LANポート部除く) | |
| 質量 | 約250g | |
| 端子タイプ | プッシュインPlus 端子台 | |
| 取りつけ | DINレール取りつけ | |
| 別売品 | 分割型変流器(CT): KM-PCBE005、KM-PCBE050、KM-PCBE100、KM-PCBE200、KM-PCBE400、KM-PCBE600 | |
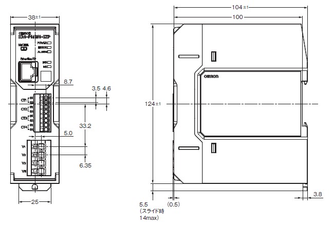
外形図
情報更新:2025/10/14
外形図

CAD
RoHS/REACH対応状況
情報更新:2025/12/17
EU RoHS
| 対応状況 | 対応予定月 | 非含有証明書 |
|---|---|---|
| 対応済み | ダウンロードはこちら |
中国 RoHS
| 中国 RoHS表 | ||||||||||
|---|---|---|---|---|---|---|---|---|---|---|
| Pb | Hg | Cd | Cr(VI) | PBBs | PBDEs | DBP | DIBP | BBP | DEHP | 環境保護 使用期限 |
| X | O | O | O | O | O | O | O | O | O | 10 |
- “対応済み”や非含有の記載がされた商品であっても、流通在庫等で未対応品が混在する可能性があります。
- 非含有品が必要な際は、弊社営業部門もしくは販売店へお問い合わせください。
規格認証/適合状況
| LR型式承認 (イギリス 船舶規格) |
DNV型式承認 (ノルウェー 船舶規格) |
BV型式承認 (フランス 船舶規格) |
KR型式承認 (韓国 船舶規格) |
NK型式承認 (日本 船舶規格) |
ABS型式承認 (アメリカ 船舶規格) |
|---|---|---|---|---|---|
| No | No | No | No | No | No |