商品概要
画像をクリックすると大きくなります
スマート・パワーサプライ, 容量 240W, 24V, 6分岐, UL Class2に適合, 設定変更可能
在庫/販売状況
2025/12/02 00:00 情報更新| 販売状況 | 販売中 |
|---|---|
| 機種区分 | 標準在庫機種 |
| 在庫状況 | 〇 |
| 標準価格(税別) | ¥ 64,000 |
詳細情報
定格/性能
情報更新:2025/11/04
| 容量 | 240W | |
|---|---|---|
| 出力電圧 | DC24V | |
| 効率 | 93% typ.(電源部のみ:94% typ.) (AC100V入力時) 95% typ.(電源部のみ:96% typ.) (AC230V入力時) | |
| 入力条件 | 定格入力電圧 | AC100~240V |
| 入力電圧許容変動範囲 | AC85~264V | |
| 周波数 | 50/60Hz (47~63Hz) | |
| 入力電流 | 2.6 typ. (AC100V入力時) 1.3 typ. (AC200V入力時) | |
| 力率 | 0.9以上 | |
| リーク電流 | 0.5mA以下 (AC100V入力時) 1mA以下 (AC200V入力時) | |
| 突入電流(25℃ コールドスタート) | 14A typ. (AC100V入力時) 28A typ. (AC200V入力時) | |
| 出力特性 | 電圧可変範囲 | 24~28V(V.ADJにて) |
| リップルノイズ電圧 | 80mV(p-p)以下 周波数帯域20MHz時(定格入出力にて) | |
| 静的入力変動 | 0.5%以下 (100%負荷にて) | |
| 静的負荷変動 | 4.0%以下 (定格入力、0~100%負荷にて) | |
| 周囲温度変動 | 0.05%/℃以下 | |
| 起動時間 | 600ms typ. | |
| 出力保持時間 | 30ms typ. (定格入出力にて) | |
| 付属機能 | 直列運転 | 不可 |
| 並列運転 | 不可 | |
| 出力表示灯 | 有(色: 緑) | |
| 絶縁耐圧 | 耐電圧 | (入力端子一括)と(分岐出力端子一括、入出力信号一括)間: AC3kV 1min 検出電流20mA (入力端子一括)と(PE)間: AC2kV 1min 検出電流20mA (分岐出力端子一括、入出力信号一括)と(PE)間: AC1kV 1min 検出電流30mA (分岐出力端子一括)と(入出力信号一括)間: AC500V 1min 検出電流20mA (入力信号一括)と(出力信号一括)間: AC500V 1min 検出電流20mA |
| 絶縁抵抗 | (分岐出力端子一括、入出力信号一括)と(入力端子一括、PE)間: 100MΩ以上 DC500V | |
| 環境 | 耐振動 | 10~55Hz 片振幅0.375mm 3方向 各2h |
| 耐衝撃 | 150m/s2、6方向 各3回 | |
| 使用周囲温度 | -25~70℃(ただし、氷結、結露しないこと) | |
| 保存温度 | -40~85℃ | |
| 使用周囲湿度 | 95%以下 | |
| 保存湿度 | 95%以下 | |
| 信頼性 | MTBF | 3.6万時間以上 |
| 期待寿命 | 10年 | |
| 構造 | 端子台タイプ | プッシュインPlus端子台 |
| 取りつけ | DINレール取りつけ | |
| 冷却方式 | 冷却ファン 無 | |
| 保護構造 | IP20、EN/IEC 60529による | |
| 質量(本体) | 1050g以下 | |
備考
インバータによっては出力仕様として、出力周波数を50/60Hzと表示されているものもありますが、パワーサプライの内部温度上昇により発煙・焼損の恐れがありますので、インバータの出力をパワーサプライの電源として使用しないでください。
外形図
情報更新:2025/11/04

接続図
情報更新:2025/11/04
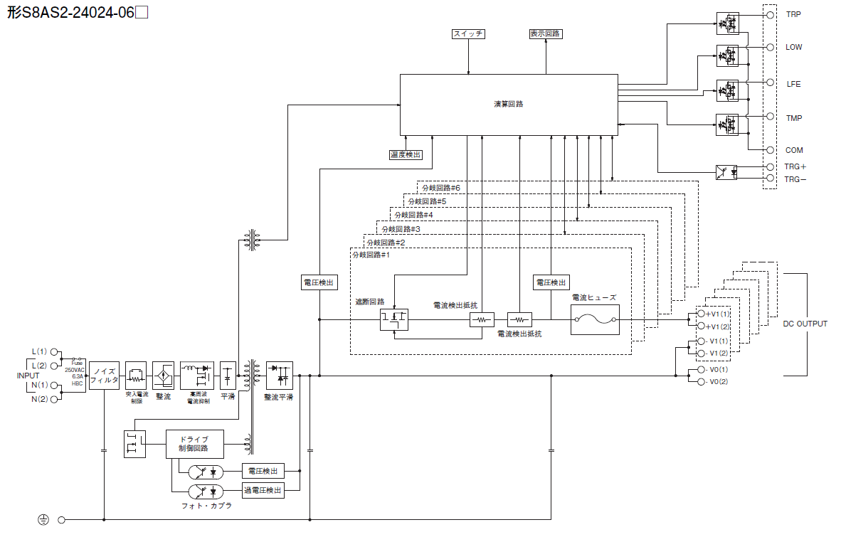
ブロック図

ディレーティング曲線
情報更新:2025/11/04

CAD
RoHS/REACH対応状況
情報更新:2025/11/19
EU RoHS
| 対応状況 | 対応予定月 | 非含有証明書 |
|---|---|---|
| 対応済み | ダウンロードはこちら |
中国 RoHS
| 中国 RoHS表 | ||||||||||
|---|---|---|---|---|---|---|---|---|---|---|
| Pb | Hg | Cd | Cr(VI) | PBBs | PBDEs | DBP | DIBP | BBP | DEHP | 環境保護 使用期限 |
| X | O | O | O | O | O | O | O | O | O | 10 |
- “対応済み”や非含有の記載がされた商品であっても、流通在庫等で未対応品が混在する可能性があります。
- 非含有品が必要な際は、弊社営業部門もしくは販売店へお問い合わせください。
規格認証/適合状況
S8AS2-24024-06Sについての規格認証/適合状況については、「カスタマーサポートセンタ お客様相談室」または貴社担当オムロン営業員または販売店にお問い合わせください。